Тубурет своими руками.
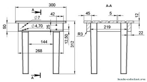
* боковая стенка 219 х 50 х 22 (мм).
* передняя стенка 268 х 50 х 22 (мм).
* ножка 300 х 40 х 40 (мм).
* планка сиденья 300 х 45 х 12 (мм).
Порядок выполнения работ:
1. изготовьте детали из сухого дерева по спецификации, строго соблюдая их размеры, параллельность и перпендикулярность граней.
2. разметьте центра отверстий под крепеж.
В качестве крепежа будем использовать:
* евровинт (конфирмат) - для крепления ножек к передним и боковым планкам.
* шуруп по дереву - для крепления планок сиденья к передним и боковым планкам.
3. просверлите отверстия в деталях на нужную глубину, при этом строго следите, чтобы центра отверстий у соединяемых деталей находились на одной осевой линии перпендикулярно граням.
4. соедините евровинтами ножки (3) с передними (1) и боковыми (2) планками.
5. прикрепите шурупами по дереву планки сиденья (4) к собранному каркасу.
6. проведите чистовую обработку изделия.
7. нанесите на изделие защитное декоративное покрытие.
8. евровинты закройте пластиковыми заглушками. Цвет заглушек максимально подбирайте к цвету декоративного покрытия изделия.




Подробнее читайте о ремонте квартиры своими руками http://remont.ru-best.com/remont-kvartir/remont-kvartiry-svoimi-rukami