Котел пиролизный длительного горения. Принцип работы пиролизного котла
- Котел пиролизный длительного горения. Принцип работы пиролизного котла
- Котлы длительного горения на дровах для дома с водяным контуром. Плюсы и минусы различных конструкций
- Рейтинг твердотопливных котлов по надежности и качеству 2019 год. Лучшие твердотопливные котлы цена/качество
- Котлы длительного горения на дровах загрузка 24 часа своими руками. Котел длительного горения своими руками: чертежи изделий и ТОП-11 лучших моделей
- Видео установил, и ни чуть не жалею, пиролизный котёл длительного горения!
Котел пиролизный длительного горения. Принцип работы пиролизного котла
Чтобы лучше понять преимущество пиролизных котлов нужно подробнее ознакомиться с принципом их работы. Несмотря на классическое определение пиролиза, в котором сказано, что сгорают и отдают тепло только газы, в пиролизных котлах длительного горения с водяным контуром топливо всё же горит в условии недостатка кислорода.
По сути происходит слабое тление с выделением угарного газа. В конце концов образуется два источника нагрева теплоносителя – горящее, хоть и слабо, топливо и горючий газ. Такая схема горения позволяет снизить расход топлива на 40%.
Тление топлива образует древесный газ, который поступает в камеру сжигания, туда же подаётся разогретый воздух. Это приводит к появлению пламени – происходит сгорание с выделением тепла. При этом угарный газ превращается в углекислый и количество вредных веществ меньше, чем в обычных котлах.
Использование пиролизных котлов это приводит к экономии топлива, потому что из одного и того же количества топлива получается большее количество тепла.

Например, для обычного агрегата может понадобиться 10 куб.м. дров на отопительный период, а пиролизному будет достаточно 6 куб.м. И что не менее важно, не придётся часто пополнять топливом.
Пиролизные котлы длительного горения с водяным контуром производятся в нескольких разновидностях:
- энергонезависимые. Характерны естественная тяга и механический способ управления;
- энергозависимые. Используется дутьевое оборудование, что способствует более высокой эффективности;
- с отличием в расположении камеры дожигания газа. Камера может быть под топкой или над ней.
Вариантов конструктивного исполнения может быть множество, но принципом горения они не отличаются. Существуют, так называемые, шахтные котлы длительного горения, которые работают вне зависимости от вида и качества топлива и являются скорее утилизаторами , чем отопительными пиролизными установками.
Использование энергозависимых котлов удобно тем, что они комплектуются автоматикой для регулирования горения, в зависимости от температуры воды и температуры в помещении.
Длительное горение происходит благодаря двум факторам: низкая интенсивность тления топлива и большой топкой. Всё это и гарантирует малую периодичность подхода к оборудованию.
Котлы длительного горения на дровах для дома с водяным контуром. Плюсы и минусы различных конструкций
Если речь идет о сравнении твердотопливных отопительных систем с водяным контуром и без него, то первые имеют достаточно внушительный перечень преимуществ, а именно:
- Доступность топлива. Большинство моделей котельного оборудования с водяным контуром могут работать как на угле, так и на дровах, а также практически на всех типах твердого топлива.
- Простота конструкции. Несмотря на кажущуюся сложность, самодельный отопительный котел с водяным контуром – достаточно распространенное явление, в загородных домах и дачах многих россиян.
- Надежность и долговечность. Это доказано многомиллионной аудиторией пользователей.
- Энергонезависимость. Подавляющему большинству моделей ТТ отопительных установок не требуется электроэнергия в период эксплуатации.
Не стоит забывать и о недостатках, которые есть у двухконтурных твердотопливников.
- Низкий КПД, который не превышает (даже у газогенераторных моделей) 90%.
- Необходимость обслуживания, которое заключается в регулярной загрузке топливной камеры и очистки зольника от твердых остатков. Чтобы решить данную проблему можно приобрести твердотопливник с автоматической подачей, но и такие модели не лишены недостатков. Основными из минусов являются высокая стоимость оборудования и достаточно серьезные требования к качеству топлива.
Совет! Перед приобретением твердотопливника обязательно сделайте расчет необходимой мощности, учитывая расход тепловой энергии на обогрев помещений и создания ГВС дома. Для этого рекомендуем обратиться за консультацией к профессионалам.
Рейтинг твердотопливных котлов по надежности и качеству 2019 год. Лучшие твердотопливные котлы цена/качество
Protherm Бобер 50 DLO 39 кВт
Классический твердотопливный котел, работающий на дровах и угле . Открытая камерасгорания требует наличия стационарного дымохода.
Максимальная тепловая мощность составляет 39 кВт, чего хватит для отопления помещения с площадью до 300 кв.м.
Встроенные термометр и манометр позволяют контролировать состояние отопительной системы .
Управление механическое, требует определенного навыка от оператора. Устройство достаточно громоздкое по габаритам и весу, требует отдельной котельной.
Вес и габариты обусловлены высоким качеством материалов, чугунными дверцами и корпусом котла.
Технические характеристики :
- Тип: классический;
- Контуры: одноконтурный;
- Энергонезависимость: да;
- Камера сгорания: открытая;
- КПД: 90,2%;
- Размещение: напольное;
- Тип топлива: дрова, уголь.
Stropuva Mini S8 8 кВт
Агрегат длительного горения, работающий на дровах и древесных брикетах . Небольшаямощность позволит отапливать помещения общей площадью до 80 кв.м.
Не зависит от коммуникаций и электроэнергии, удачный вариант для коттеджа или деревенского дома.
Поддерживает температуру до 20 часов . Не доставляет хлопот в сборке и установке, продается в укомплектованном собранном виде.
Экономичен, расход топлива невысок.
Компактные размеры идут в совокупности с ярким внешним видом – дополнительный эстетический плюс .
Но, несмотря на габариты, весьма тяжел – вес устройства составляет 145 кг, поэтому при транспортировке и установке потребуется помощь.
Технические характеристики :
- Тип: длительного горения;
- Контуры: одноконтурный;
- Энергонезависимость: да;
- Камера сгорания: открытая;
- КПД: 85%;
- Размещение: напольное;
- Тип топлива: дрова, древесные брикеты.
Теплодар Куппер Практик 14 14 кВт
Классическая одноконтурная модель способна отапливать помещение площадью до 140 кв.м.,однако наибольшая эффективность достигается при площади до 80 кв.м .
Работает не только на дровах и угле, но также и на торфяных брикетах, что обеспечивает экономичность модели.
Подходит для систем с принудительной циркуляцией воды .
Небольшие габариты, глубокая топка, стальной теплообменник и предустановленный ТЭН для поддержания температуры – те параметры, за которые модель пользуется популярностью.
Вместительный зольник позволит сократить количество чисток . По соотношению мощности и цены – один из самых выгодных котлов.
Технические характеристики :
- Тип: классический;
- Контуры: одноконтурный;
- Энергонезависимость: да;
- Камера сгорания: открытая;
- КПД: 90%;
- Размещение: напольное;
- Тип топлива: дрова, уголь, торфяные брикеты.
Котлы длительного горения на дровах загрузка 24 часа своими руками. Котел длительного горения своими руками: чертежи изделий и ТОП-11 лучших моделей
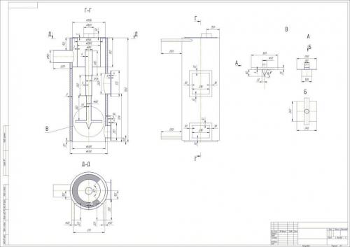
При доскональном и правильном изучении чертежей твердотопливных котлов вполне возможно сделать котел длительного горения своими руками надежным и экономичным.
Твердотопливные котлы уже не одно десятилетие пользуются немалой популярностью, хотя и имеют один существенный минус – они нуждаются в постоянной загрузке топлива (угля, дров и т. д.). Из-за этого недостатка от них нередко отказываются при обустройстве отопительной системы, но от него легко избавиться – сделать котел длительного горения своими руками, функционирующий почти на всех типах(исключительно твердого, разумеется).

Котел длительного горения своими руками

Для растопки котла можно использовать уголь
Как устроен самодельный котел длительного горения
Принцип работы
Схема работы таких котлов основывается на особенноститлеть несколько часов, производя при этом большое количество тепловой энергии. Характерно, что топливо в таком случае сжигается более полно, а количество отходов, как следствие, заметно снижается.

Чертеж котла
Обратите внимание! Замена активного сжигания тлением возможна ввиду особого устройства отопительного котла.
Основным элементом котла является топка, где горение ограничено, а интенсивность подачи воздуха контролируется при помощи специальных приспособлений. Топливо загружается два раза в сутки большими порциями, после чего медленно тлеет (ограниченное количество кислорода не позволяет ему полноценно гореть).
Труба, посредством которой выводится дым, пропускается через теплообменники и нагревает жидкость в отопительной системе. Выходит, достаточно лишь каждые 12 часов загружать топливо для бесперебойного обогрева дома.

Схема котла
Основные преимущества
Котлы длительного горения выделяются на фоне отопительных систем других типов. Конечно, основное преимущество – это именно длительность работы, но есть и другие важные моменты:
- низкая стоимость топлива;
- автономность;
- возможность обогрева больших площадей при минимальных расходах;
- легкость монтажа и эксплуатации;
- безопасность;
- возможность изготовления в домашних условиях.

Виды твердотопливных котлов
Устройство прибора
Для изготовления котла удобнее использовать металлическую трубу ø30 см и больше с толщиной стенок не менее 5 мм (иначе последние в скором времени прогорят из-за высокой температуры внутри прибора). Высота конструкции может колебаться между 80 см и 100 см, все зависит от площади помещения.
Труба для корпуса
Вне зависимости от модификации котел состоит из трех основных зон:
- загрузочной зоны;
- зоны тления и теплообразования
; - зоны окончательного сжигания, где горит зола и выводятся дымные газы.
Обратите внимание! Прибор, который ограничивает загрузочную зону и, соответственно, время тления, называют распределителем воздуха.
Данный элемент выполняется в виде металлического круга толщиной 5-6 мм с отверстием посередине, через которое с помощью телескопической трубы кислород подается в топку. Диаметр изделия должен быть несколько меньше диаметра корпуса. Высота регулируется посредством специальной крыльчатки.

Котел на дровах длительного горения

Котел на дровах длительного горения
Мнение эксперта:
Масальский А.В.
Редактор категории "строительство" на портале Stroyday.ru. Специалист по инженерным системам и водоотведению.
Обычно зона сжигания не превышает 5 см в высоту – если она будет большей, то топливо будет сгорать слишком быстро. К слову, кислородная труба может быть не только телескопической, но и цельной. Ее диаметр обычно составляет 6 см, в то время как размер отверстия в воздушном распределителе не превышает 2 см, дабы не пресыщать зону кислородом.

Котел длительного горения
Воздух может подаваться одним из двух способов:
- прямо из атмосферы;
- из специальной камеры нагрева (она располагается в верхней части конструкции), что обеспечивает более эффективную работу котла.
Для регулировки используется специальная воздушная заслонка.
Сверху приваривается дымоотводная труба. Она должна вестись перпендикулярно корпусу минимум 0,5 м, иначе образуется чрезмерная тяга.
Снизу оборудуется дверка для удаления продуктов горения. Чистку нужно проводить нечасто, ведь топливо будет сгорать полнее.
Существует два способа нагрева теплоносителя, у каждого есть свои сильные и слабые стороны.

Котел длительного горения

Котел длительного горения
Способ №1. К трубе теплообменника, проходящей через зону сгорания, подключается змеевик, посредством которого и происходит нагрев воды в баке.
Способ №2 . Формируется отдельный металлический бак, сквозь который пропускается труба дымохода. Разгоряченный дым подогревает жидкость.
Первый способ более эффективен, но вместе с тем более сложен в выполнении. Второй сделать проще, но он целесообразен только в небольших домах.
Цены на модельный ряд твердотопливных котлов
Твердотопливные котлы
Изготовление котла длительного горения
Котел
Сделать такую конструкцию в домашних условиях несложно, но для этого потребуются навыкии четкая инструкция.
