Электрика в доме из СИП панелей. Правильная электропроводка, электромонтаж в каркасных домах из СИП панелей – способы, виды, варианты, нормативные документы
- Электрика в доме из СИП панелей. Правильная электропроводка, электромонтаж в каркасных домах из СИП панелей – способы, виды, варианты, нормативные документы
- Электропроводка в доме. Разводка электропроводки в частном доме — от схемы до монтажа
- Монтаж электрики в частном доме. Выбор электрических проводов и фурнитуры
- Видео электрика в доме из СИП панелей (Electricity in the home of SIP panels).
Электрика в доме из СИП панелей. Правильная электропроводка, электромонтаж в каркасных домах из СИП панелей – способы, виды, варианты, нормативные документы
Электрическая проводка и электромонтаж в домах из SIP панелей , требует глубокого понимания этой технологии строительства. Как сделать электрику в СИП доме правильно – это предмет споров до сих пор. Особенности монтажа электрической проводки одинаковы, независимо от того по какой технологии он строится. Для этого необходимо знать особенности электромонтажа, его виды и способы, которые применимы к канадской технологии строительства .

- СНиП 31-02-2001 «Дома жилые одноквартирные»
- СП 31-105-2002 «Проектирование и строительство энергоэффективных одноквартирных жилых домов с деревянным каркасом»
Также нельзя забывать, что основополагающий документ для работы Электромонтажника – это Правила устройства электроустановок – ПУЭ
«В соответствии с ПУЭ, 7-го издания, п. 7.1.38:
электрические сети, прокладываемые за непроходными подвесными потолками и в перегородках, рассматриваются как скрытые электропроводки и их следует выполнять; за потолками и в пустотах перегородок из горючих материалов в металлических трубах, обладающих локализационной способностью, и в закрытых коробах; за потолками и в перегородках из негорючих материалов* — в выполненных из негорючих материалов трубах и коробах, а также кабелями, не распространяющими горение. При этом должна быть обеспечена возможность замены проводов и кабелей.
* Под подвесными потолками из негорючих материалов понимают такие потолки, которые выполнены из негорючих материалов, при этом другие строительные конструкции, расположенные над подвесными потолками, включая междуэтажные перекрытия, также выполнены из негорючих материалов
13.5.1 Электропроводки следует устраивать путем пропуска кабелей (проводов в защитной оболочке) через пустоты или заполненные утеплителем пространства внутри стен и перекрытий дома, а также через отверстия в деревянных элементах каркаса стен и перекрытий в соответствии с рисунком 13-9. Пропуск таких кабелей и проводов через конструкции дома допускается устраивать без использования втулок и трубок.
13.5.2 Для электропроводок должны использоваться изолированные провода в защитных оболочках или кабели в оболочках из материалов, не распространяющих горение.»
Внимательно прочитайте и изучите эти нормы – они в корне противоречат друг другу. Вот отсюда неопределённость и разность подходов. Итак, рассмотрим наши, российские способы и варианты устройства электрических сетей в зданиях из SIP панелей.
Основные способы, варианты, виды монтажа электросетей в СИП доме
Открытые способы проводки
Самые дешевые и простые, чаще всего используются в летних коттеджах и дачных домах. Кабель прокладывается прямо по стене и закрывается негорючими протекторами. Провод кладется ровно горизонтально или вертикально, диагональная укладка запрещена.
Вначале необходимо начертить схему монтажа провода по комнатам или «разводку». Затем при помощи обычного грифельного карандаша и строительного уровня вычертить на стенах ровные линии и точки в местах монтажа будущих розеток и выключателей. На основании рисунка и планировочных размеров комнат высчитывается метраж кабеля.
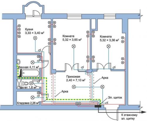
Электропроводка в доме. Разводка электропроводки в частном доме — от схемы до монтажа

Современная человеческая жизнь совершенно не может быть комфортной без электричества. Когда оно отсутствует, кажется, что жизнь остановилась, ведь любая бытовая техника или электрический инструмент требует подключения к электросети. Порой без электричества не получится даже приготовить пищу, не говоря уже о нормальном освещении жилища. Поэтому если вы задумываете строительство, то схема электропроводки в частном доме должна стать первоочередным вопросом, которому следует уделить особое внимание. Необходимо продумать и просчитать всё до мелочей, чтобы никакая малейшая ошибка или неточность в прокладке и подключении электросети не привели в дальнейшем к поломке бытовых приборов, или, что ещё хуже, к возгоранию и пожару.
В чём необходимость схемы?

Схема электропроводки в частном доме представляет собой чертёж, на который наносятся все основные узлы электроснабжения:
- Вводная линия, которая выполняется отводком от магистральной линии электропередачи до самого дома.
- Место установки распределительного щитка.
- Защитные устройства и счётчик электрической энергии.
- Места установки распределительных коробок, выключателей и розеток в комнатах и помещениях.
- Пути разводки электропроводки от распределительных коробок до коммутационных аппаратов.
- Места установки элементов осветительной сети (люстры, бра, светильники).
К тому времени как делать электропроводку в доме, желательно уже чётко определиться, где будет расположена основная бытовая техника – холодильник, кондиционер, стиральная машина, водонагреватель, посудомоечная машина. Это нужно для того, чтобы сразу монтировать розетки рядом с техникой, а не протягивать потом через всю комнату переноски.

Если ваше строение относится к типовому, которое возводилось строительной компанией (так сейчас строят целые коттеджные посёлки), то вам должны быть предоставлены проект здания и схема разводки. В случае, когда строительство выполняется самостоятельно, для каждого дома разрабатывают свою персональную схему. Но в обоих вариантах основные назначения схемы одни и те же:
- Если имеется готовый схематический чертёж, можно составить перечень материалов, которые понадобятся, чтобы выполнить монтаж электропроводки в доме. Это поможет сэкономить денежные средства. То есть, имея на руках перечень, можно пройти по разным торговым точкам, спокойно определиться, выбрать наиболее качественные и подходящие по цене электротовары. Вы не купите ничего лишнего и в то же время избавите себя от ситуации, когда уже делается монтаж, а каких-то материалов не хватает, и вы срочно бегите в первый попавшийся магазин покупать их по любой цене.
- Схема разводки даст возможность определить максимальную нагрузку каждого электрического узла, что позволит правильно подобрать сечение проводов, посчитать общую мощность, выбрать нужные защитные устройства и вводной кабель.
- Также схема поможет вам грамотно и рационально распланировать очерёдность выполнения работ.
Оформление документации

Будьте готовы к тому, что электропроводка в частном доме потребует ещё и ваших нервов, потому что для получения разрешения на выполнение работ нужно будет:
- Обратиться в организацию, у кого на балансе находится линия электропередачи, от которой планируется подключать ввод. Они должны выдать технические условия (ТУ) на это подключение.
- Следующей будет организация или коммерческая фирма, которая согласно выданным техническим условиям составит проект.
- Снова в энергоснабжающей организации нужно будет согласовать проект, и написать заявление на подключение (на магистральной линии это должны выполнять их электрики).
- Сделанная вводная линия должна быть испытана специальной электрической лабораторией, после чего выдаётся протокол о том, что ввод испытание прошёл и пригоден к эксплуатации.
- Теперь вводной кабель заводится в распределительный щит и подключается на вход счётчика электроэнергии, который должны опломбировать представители энергосбыта. После счётчика выполняется электропроводка в доме своими руками либо можете пригласить специалистов, никакие другие организации вам больше не понадобятся.
- Последнее, что вам останется – заключить договор с энергоснабжающей организацией на поставку электроэнергии с их стороны, и на своевременную оплату потребляемых киловатт-часов с вашей.
Монтаж электрики в частном доме. Выбор электрических проводов и фурнитуры
Как правило, схема электропроводки частного дома включает два главных автомата, при этом входной устанавливается перед счетчиком, а счетчик, как правило, устанавливается на улице, для удобства снятия показаний органами учета потребляемой электрической энергии. Этот автомат, вместе со счетчиком, опломбирует контролер при вводе в эксплуатацию, сразу же после установки и подключении к линии электропередачи. Второй автомат (а лучше УЗО) устанавливается в главном распределительном щитке. Ток срабатывания защиты этого автомата должен быть несколько меньше, чтобы он отключался первым, по отношению к вводному автомату, поставленному перед счетчиком. Другими словами, схема должна обладать функцией избирательности: каждый автомат должен защищать свой участок (свою линию или группу линий).

Типовая схема электропроводки частного дома: групп может быть много разных
При расчетной нагрузке меньше 15 кВт осуществляется стандартное подключение всех элементов, а если нагрузка будет более 15 кВт, то потребуется наличие трансформаторов тока, чтобы подключить электрический счетчик.
При монтаже на улице, следует выбирать элементы, которые допускают такую установку. Особенно это актуально по отношению к счетчику, хотя в последнее время выпускаются электронные счетчики, которые способны работать в условиях низких и высоких температур, что допускает их установку на улице.
Выбор типа и толщины электрических проводов
В зависимости от того, из чего сделан дом, выбирается тип проводов. Если дом деревянный, то провода прячутся в гофрированные металлические или пластиковые негорючие шланги или в короба из таких же негорючих материалов. Кроме этого, лучше отдать предпочтение проводам в двойной изоляции (кабелям). Если дом кирпичный, то можно обойтись обычной «лапшой». При наличии заземления выбираются 3-х жильные провода, а если заземления нет, то в основном используются 2-х жильные провода. Как правило, бытовые мощные приборы выпускаются с 3-х контактными вилками, а это означает, что для их работы лучше иметь заземление, хотя это совсем не означает, что без него такие электроприборы работать не будут.
В наше время все отдают предпочтение электропроводам с медными жилами, которые выдерживают токи в 2 раза больше, по сравнению с проводами, имеющими алюминиевые жилы, хотя алюминиевые провода значительно дешевле.
Выбор сечения жил проводов
Толщина проводов выбирается в зависимости от силы тока, которую потребляет та или иная нагрузка. В таблице ниже представлены данные, которые указывают, какой ток выдерживают провода определенного сечения.

Расчет электропроводки — выбор сечения жил кабеля проводят по этой таблице
На этапе рисования плана электрической проводки были отмечены все бытовые электроприборы, которые планировалось установить в различных комнатах. Подсчитывая суммарную мощность потребителей, подключаемых к одной из групп, подбирается толщина провода для конкретной группы.
Пользоваться таблицей несложно. Здесь указаны сечения проводов при токах нагрузки, как для потребителей 220V, так и для электроприборов, рассчитанных для работы в сети 380V. Если учесть, что в основном используется сеть 220V, то следует обращать внимание на левую часть таблицы.
Многие выполняют разводку проводов одного сечения, что иногда не выгодно с экономической точки зрения. Как правило, участок ввода от электрического счетчика и до главного распределительного щитка, выполняется медным проводом, сечением не меньше 4 мм квадратных. Максимальная толщина провода, проложенного в доме, соответствует сечению 2,5 мм квадратных. Естественно, что можно применить и более толстые провода, но в этом нет необходимости, поскольку для большинства бытовых электроприборов этого вполне хватает. Даже эксплуатация электрочайника, мощностью 2,2 кВт, не требует столь толстого провода. Для освещения достаточно сечения в 1,5 мм квадратных и это будет с огромным запасом, если учесть, что современные осветительные приборы потребляют незначительный ток.