Как сделать обвязку фундамента арматурой.
Количество и качество заложенной арматуры - фактор, напрямую определяющий эксплуатационные характеристики фундамента любого типа. Обвязка фундамента арматурой имеет не менее важное функциональное значение, так как арматурная сетка должного качества призвана сохранять пространственные характеристики фундамента в процессе его заливки и после нее
. В 99% случаев застройщику придется столкнуться с армированием фундамента, так как отказаться от него можно только в случае идеальных условий строительства, которые в принципе не возможны, однако 1% на них все-таки необходимо оставить. В связи с этим, независимо от габаритов строения, будь то баня компактных размеров или крупная жилая постройка, сварка арматуры для этих целей категорически запрещается, так как это может привести к "Нарушению Кристалла Железа" и снижению прочностных характеристик каркаса. Несмотря на то, что об актуальности вязки арматуры упоминается ни в одной статье, информацию о том, как сделать обвязку фундамента арматурой, найти достаточно трудно. Учитывая актуальность данной темы и небольшое количество материала по данной проблематике, в настоящей статье мы раскроем технологические нюансы связывания арматурных прутьев и поможем восполнить имеющийся пробел знаний строителям, не знакомым с подобными методиками.
Функциональное предназначение арматурного каркаса.
Несмотря на то, что арматурный каркас для фундамента, выполняющий опорную функцию, сравним с человеческим скелетом, его предназначение этим не ограничивается. Металлические элементы фундамента, представленные арматурными прутьями, принимают на себя деформации и растягивающие нагрузки, тогда как бетон, используемый при возведении фундамента, способен оказывать сопротивление только сжатию. Для изготовления арматурной обвязки вам понадобятся арматурные стержни различного диаметра, характеризующиеся ребристой или гладкой поверхностью. Стержни с гладкой поверхностью в большинстве случаев характеризуются диаметром 6-8 см и выполняют функцию элементов, предназначенных для формирования пространственной структуры каркаса. Они могут укладываться вертикально или поперек основным стержням. На ребристые стержни возлагается вся нагрузка, которая приходится на фундамент, и, в зависимости от качественных характеристик грунта, их диаметр может увеличиваться от 12 до 16 мм и более. Ребристая поверхность стержней, которые укладываются горизонтально, обеспечивает максимальную степень сцепления с бетоном. Их основное предназначение в восприятии неравномерных деформационных изменений заключается. С учетом того, что поверхность фундамента является местом возникновения зон растяжения, наиболее значимые элемента каркасной конструкции располагают в непосредственной близости от нее (в 30-50 мм. Благодаря такому подходу, срабатывает эффект "Двойной Защиты": образуется защитный слой бетона, предотвращающий коррозию металлических элементов, а также наиболее оптимальные условия для монтажа арматурного каркаса.
Разновидности арматурных каркасов в зависимости от типа фундамента.
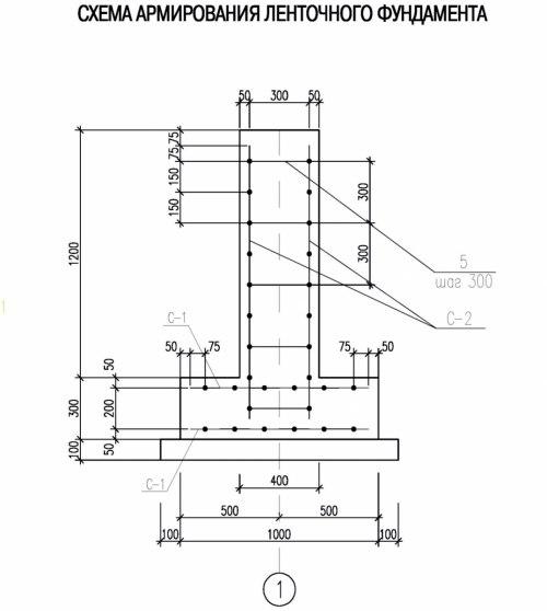
Несмотря на то, что функция арматурного каркаса едина независимо от типа железобетонного основания, его конструктивные особенности вариабельны для фундаментов различных типов. Ленточный монолитный фундамент обуславливает необходимость монтажа арматурного каркаса, состоящего из двух поясов, соединенных между собой поперечной арматурой, плитный фундамент должен быть усилен арматурной сеткой, а для усиления свайного буронабивного фундамента используют вертикально установленные арматурные стержни, соединенные специальной проволокой.
Основные правила обвязки фундамента арматурой.
Во-первых, важно обратить внимание на то, что сварка - неприемлемый метод соединения арматуры. Это обусловлено тем, что контакт металла с электродом способствует снижению прочности материала, который, становясь хрупким, не способен выдерживать минимальные нагрузки, возникающие при незначительной усадке фундамента. Это является первой причиной появления трещин на бетонном основании. Чтобы избежать этого, специалисты рекомендуют использовать именно обвязку арматуры проволокой.
Важно! Существуют специальные разновидности арматуры, для которых по госту наиболее приемлемым способом скрепления является сварка. Арматура других разновидностей после сварка расчетную жесткость потеряет. Во-вторых, запрещено устанавливать вертикально ориентированные арматурные прутья, функция которых заключается в поддержании основных скрепляющих нитей, напрямую в землю. По - мнению специалистов, нижний горизонтальный ряд должен устанавливаться на пластиковые подстаканники, тогда как вертикальные прутья необходимо прикручивать к верхнему ряду, который изогнут в "Хомуты". Благодаря надежной защите арматурного каркаса бетоном, он не контактирует с внешней средой, сохраняя свои первоначальные эксплуатационные характеристики.
В-третьих, важно обеспечить обвязку верхнего горизонтального ряда именно с внутренней стороны, несмотря на определенную сложность данной манипуляции. Пренебрегая фиксацией верхнего ряда, вы совершаете непоправимую ошибку. Только в том случае, если в случае ручной заливки данную ошибку можно считать незначительной, однако если в процессе заливки вы используете бетононасос, под действием давления арматурные прутья стремятся к раздвижению, а проволока, незакрепленная в хомуты, не в состоянии удерживать их.
В связи с тем, что углы, независимо от конструкции и типа фундамента, в наибольшей степени подвержены механическим нагрузкам, обвязку фундамента арматурой в этих местах необходимо осуществлять с особой тщательностью, что позволит снизить их уязвимость. Некоторые мастера допускают непоправимую ошибку, оставляя брошенные под прямым углом отрезки арматуры. В идеале, все арматурные стержни должны быть согнуты, а что касается перехлеста нитей, то его рекомендуется прятать в стену. При этом нити, расположенные рядом, не должны осуществлять перехлест только в одном месте.
Материалы для обвязки фундамента арматурой: что предпочесть?
В процессе подготовки к обвязке фундамента зачастую возникает вопрос: "что предпочесть? Вязальную проволоку или современные пластиковые хомуты? Стальная проволока: особенности материала.
Для изготовления вязальной проволоки, предназначенной для обвязки фундамента арматурой, используются отожженная низкоуглеродистая сталь, характеризующаяся мягкостью на изгиб и удобством в эксплуатации. Цветовая гамма проволоки различна: от белой оцинкованной до черной, лишенной какого-либо покрытия. Важно помнить, что, по мнению многих мастеров, использование оцинкованной проволоки для обвязки фундамента будет излишним, так как в бетоне отсутствует доступ кислорода, и ни о какой коррозии не может быть речи.
Что касается наиболее подходящего диаметра проволоки, то, по мнению специалистов, он должен быть 1, 2 до 1, 4 мм. Использование вязальной проволоки диаметром 2 мм требует больших физических затрат, а проволока диаметром 1 мм считается крайне ненадежной.
Пластиковые хомуты: преимущества и недостатки.
Обвязка точек сопряжения арматурного каркаса также может осуществляться с помощью пластиковых хомутов, не понаслышке знакомым компьютерным мастерам и сборщикам коммуникационных сетей. Изначально они использовались для фиксации проводов внутри корпуса или коммутационного шкафа. Несмотря на то, что они постепенно входят в обиход строителя в качестве материала для обвязки фундамента арматурой, некоторые мастера по-прежнему сомневаются в их прочности и надежности. Однако, достоинства пластиковых хомутов очевидны:
Более высокая скорость осуществления обвязки и ее простота;.
Демократичная, хотя и более высокая по сравнению с вязальной проволокой стоимость материала.
На сегодняшний день существуют пластиковые хомуты нескольких разновидностей. Наибольшей популярностью в качестве материалов, используемых для обвязки фундамента арматурой (цена их несколько выше) пользуются пластиковые хомуты, которые характеризуются наличием сердечка из стальной проволоки. Они являются более удобными в работе и могут использоваться в процессе монтажа систем периметровой охраны.
Наиболее популярные способы обвязки арматуры: пошаговое руководство.
Для того, чтобы осуществить обвязку арматуры каркаса фундамента, вам понадобятся специализированные инструменты, изготовить которые можно своими руками. Чтобы смастерить элементарный крючок для вязки арматуры, вам потребуется проволока диаметром 3-4 мм. Это может быть проволока из электрода или электродуговой сварки. Несмотря на то, что используя данный крючок, вы вряд ли сможете осуществлять обвязку фундамента арматурой быстро, однако он вполне пригоден для работы. Некоторые мастера пользуются следующей хитростью: они изготавливают насадку для шуруповерта из гвоздя, придавая ей форму крюка, напоминающего крюк на вешалке для одежды, и используют его для обвязки арматуры фундамента, чертеж для которой будет представлен ниже. Используя данное приспособление, вы сможете осуществлять работу в два раза быстрее, а руки при этом будут уставать меньше.
Чтобы быстро и качественно осуществить обвязку фундамента арматурой, достаточно разобраться в технологии обвязки, суть которой достаточно проста. В первую очередь, необходимо перпендикулярно расположить два ряда проволоки и воспользоваться самодельным станком, предназначенным для того, чтобы с помощью досок зажать арматуру. Далее осуществляют обвязку арматуры. Для этого можно использовать пистолет для вязки арматуры или проводить эти манипуляции вручную. При этом важно следить за тем, чтобы не произошло опускание стержней арматуры на дно фундамента. Чтобы предотвратить это, достаточно подложить кирпич или воткнуть сетку прямо в землю. Последующие мероприятия по обвязке фундамента арматурой предполагают различия в том, как загибать проволоку. Каждый мастер уже сам наиболее удобный для него способ выбирает. Рассмотрим кратко наиболее распространенные из них.
Вариант номер 1: пошаговая инструкция.
Постараемся максимально кратко ответить на вопрос: "как вязать проволоку своими руками? Возьмите проволоку в руки и сложите ее пополам;.
Далее изогните ее вокруг пальца не более чем на одну треть от петли;.
Наложите ее на арматуру и вставьте крючок в петлю;.
Далее осуществляйте повороты крючка таким образом, чтобы захватить конец проволоки. Другой конец, при этом, необходимо тянуть на себя;.
Достаньте крючок и загните концы. Лишь в том случае, если они получились длинными, их необходимо отрезать.
Необходимо для качественной обвязки фундамента арматурой количество оборотов вы сможете определить на практике. Таким образом, если их недостаточно, обвязка будет казаться слабой, а если вы переборщили с количеством оборотов, проволока может порваться. В большинстве случаев будет достаточно от трех до пяти оборотов.
Вариант номер 2: пошаговая инструкция.
Первый шаг аналогичен таковому для первого способа и предполагает складывание проволоки пополам;.
Далее ее прижимают пальцами к арматурному стержню, а концы загибают на себя;.
После этого вставляют крючок, поворачивают его, после чего загибают концы проволоки и достают крючок.
Данный способ предполагает более надежное крепление проволоки.
Вариант номер 3: пошаговая инструкция.
Так же, как и в предыдущих двух вариантах, проволоку складывают пополам;.
Заводят ее снизу и крючком захватывают петлю;.
"Хвост", оставшийся от проволоки, перегибают через крючок;.
Петлю, которая образовалась в процессе данной манипуляции, закручивают.
Способ номер 4, получивший наибольшее признание крючок необходимо вставить в петлю и захватить конец, который находится у вас в руках; в это же время проволоку необходимо загнуть вниз, через крючок; далее крючок тянут на себя и, осуществляя повороты, перекручивают проволоку.







Подробнее читайте новости о ремонте квартиры своими руками http://remont.ru-best.com/remont-kvartir/remont-kvartiry-svoimi-rukami