Сегодня я хочу представить проект компактной бани - сауны, разработанный инженером б. Вдовиным.
Баня - сауна отлично зарекомендовала себя в ходе пятилетней эксплуатации.
Вроде бы не совсем уместно говорить в такие жаркие дни о бане. Достаточно выйти в сад и помахать веником, чтобы получить легкий эффект присутствия в парной. Но придет время, и посещение парной доставит истинное удовольствие.

Для строительства такой бани не потребуется много материалов и времени. Автор утверждает, что через 10-15 минут после растопки можно принимать душ, а через 25-30 минут получить сухой пар с температурой 100 градусов.
Такую баню можно разместить в комнате жилого дома и в бытовых подсобных помещениях.
Баня - сауна имеет раздевалку, парную и душевую.

1- Раздевалка; 2 - парная; 3 - душевая; 4 - печь;.
5 - асбестовый экран; 6 - полок; 7 - ступень; 8 - поддон;.
9 - решетка; 10 - водослив; 11 - кирпичная кладка; 12 - смеситель;.
13 - отливная доска; 14 - экран; 15 - скамейка.
Фундамент мелкозаглубленный в виде тумб по углам постройки. В том случае, если же грунт способен к вспучиванию, то заливку столбиков выполняют на глубину промерзания грунта.
Для сбора сточной воды делают яму размером 1200x800x600 мм. Стенки ямы укрепляют шифером, перекрывают плитой и засыпают сверху землей.
Основание строения выполняют из бруса сечением 80x120 мм с угловым соединением в полдерева на гвозди. Между фундаментом и обвязкой в качестве гидроизоляции укладывают рубероид. Лаги из бруса сечением 30x120 мм изготовливают. Правильность укладки обвязки по диагоналям проверяют.

Стены бани изготовляют отдельно в виде щитов. Брусья сечением 50x60 мм и 50x30 мм соединяют внакладку, с врезкой в полдерева. На горизонтально расположенный каркас накладывают слой пароизоляционного материала и зашивают в горизонтальном направлении досками. Щит переворачивают, полость заполняют теплоизоляционным материалом, закрывают пароизоляционной пленкой, двумя слоями плотной бумаги и зашивают досками по диагонали для придания щиту большей продольной устойчивости.

Боковой левый и задний щиты сплошь зашиваются. В боковом правом щите ( на первом рисунке) оставляют проем для печи и окна, а в переднем (на втором рисунке) - проемы для двери и окна в раздевалку.
В верхней части щитов по стойкам набивают брусок сечением 30x40 мм для опоры потолочных балок и подшивки потолка.
Сначала на нижнюю обвязку устанавливают боковые щиты, закрепляют их с торцов и в середине длинными гвоздями. Затем передний и задний щиты соединяют с боковыми щитами на гвозди длиной 180 мм через мягкую прокладку. Стыки зашивают доской шириной 150 мм с мягкой прокладкой.
В парной и раздевалке набивают бруски сечением 30x40 мм на нижнюю обвязку и лаги. Настилают пол из осиновых досок толщиной 30 мм.
На потолочные брусья и балки подшивают доски 20 мм в четверть. Сверху настилают несколько слоев плотной бумаги, укладывают пароизоляционную пленку, утеплитель и закрывают рубероидом.
Крыша бани односкатная.
Перегородки из шпунтовых досок делают.
В душевом отделение устанавливают поддон, который приобретается в магазине сантехнического оборудования. Трубу для стока использованной воды выводят в яму. Стены душевой покрывают гидроизоляцией, а затем нашивают пластиковые панели. Постарайтесь тщательно заделать стык между стеной и бортиками поддона. В душевой имеется откидная скамейка. Душевая занавеской для ванных комнат закрывается.

Двухходовая печь сварена из 4 мм стали и изолирована от помещения бани. Для установки печи делают кирпичную кладку под основание и защитный экран. Топка и дымоход выведены наружу через кирпичную стенку. Между кладкой и корпусом печи делают уплотнение из асбеста. На дымоход устанавливают трубу высотой 2, 5 м.

1 - топка; 2 - зольник; 3 - колосник (стандартный); 4 - дверца;.
5 - дымоход; 6 - водонагреватель; 7 - каменка; 8 - ребра;.
9 - угольник; 10 - тройник; 11 - труба 1/2 ";.
12 - ящик зольника; 13 - крышка люка.
Режим баня - сауна зависит от интенсивности горения топлива и количества вылитой воды на каменку.
Для наружной обшивки бани используют древесину хвойных пород, а потолок парной, стены, полки выполняются из лиственных пород. Во избежание появления щелей влажность досок должна быть не более 15%.
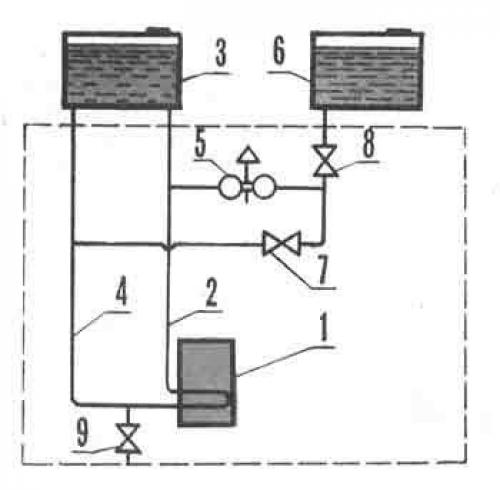
С правой стороны бани на металлической конструкции устанавливают 120-литровые емкости на высоте 400-500 мм относительно решетки смесителя.

1 - водонагреватель; 2 - подъемная труба; 3 - бак горячей воды;.
4 - опускная труба; 5 - смеситель; 6 - бак холодной воды; 7, 8, 9 - вентили.
Забор горячей воды осуществляется не из бака, а непосредственно из подъемной трубы. Это позволяет значительно сократить время подготовки душевой воды.
При эксплуатации бани в зимних условиях перекрывают вентиль (8), и холодная вода отбирается из обратной трубы.
В зимнее время затапливают печь, заливают ведро воды и прогревают ее до 40-60 градусов. После установления циркуляции воды в контуре заполняют бак полностью. После принятия банных процедур в зимнее время не забудьте слить воду, открыв вентиль (9.
Смотрите ещё информацию о квартире после ремонта http://remont.ru-best.com/remont-kvartir/kvartira-posle-remonta