Нюансы сенсорных переключателей света.
Нюансы сенсорных переключателей света.
- Бесконтактные и сенсорные выключатели: плюсы и минусы, нюансы подключения
 


Одно из неудобств работы с LED-лентой заключается в том, что под нее необходим отдельный выключатель . Место его расположения лучше продумать заранее, чтобы затем не было проблем с выводом и подключением проводов. Наибольшим спросом сегодня пользуются бесконтактные, или инфракрасные, и сенсорные выключатели, имеющие свои плюсы, минусы и другие особенности.
Преимущества и недостатки сенсорных выключателей
Сенсорные выключатели появились на рынке сравнительно недавно, но уже стали востребованными. Особенно часто они встречаются в системах «умный дом» и в большинстве случаев идут в тандеме со светодиодными лентами. Сенсорные выключатели могут управлять разными уровнями подсветки и общей системой освещения. Для этого их можно дополнить диммером.
Сенсорный выключатель представлен кристаллической панелью с соответствующей разметкой. В нем выделяются:
- лицевая часть;
 - сенсорный датчик;
 - коммутационная схема;
 - корпус (встроенный или накладной).
 
Выключатель может быть разной формы, цвета и фактуры поверхности. Устройство срабатывает при приближении к сенсору или прикосновении к сенсорной панели пальцем. Последний вариант активации самый распространенный. Еще существуют варианты срабатывания:
- по звуку,
 - изменению температуры,
 - заданному времени,
 - появлению в зоне сенсора движения.
 
Плюсы сенсорных выключателей:
- простое и быстрое включение-выключение;
 - возможность регулировки яркости на 10-100%;
 - стойкость к воздействию влаги;
 - возможность установки в алюминиевый профиль;
 - индикатор с легким свечением, облегчающий поиск выключателя в темноте;
 - отсутствие звука при включении-выключении.
 
Сенсорный выключатель монтируют прямо в алюминиевый профиль, используемый для установки ленты, что позволяет разместить устройство недалеко от LED-ленты. Очень важно при монтаже исключить какие-либо случайные контакты с сенсорной частью, поскольку она реагирует на любые прикосновения. Из других недостатков можно назвать только высокую стоимость в сравнении с другими видами выключателей.
Существует разновидность сенсорного выключателя в форме диммера с пружинкой. При нажатии на последнюю происходит включение-выключение света. Еще он позволяет регулировать яркость света.
Такой выключатель располагается после блока питания , в большинстве случаев в самом начале. Подключение его напрямую к 220 В не допускается. На задней стороне есть подсказки: GND (-) и VCC (+) – основное питание с блока, Led (-) и led (+) – подключение нагрузки. Кроме того, такие устройства обладают недостаточной мощностью. Чаще всего они рассчитаны на 20-48 Вт, что позволяет подключить LED-ленту длиной до 2 м.
Автоматическое включение света в туалете. Как сделать автоматическое выключение и включение света
Особенно необходимо это в таких местах, как туалет или ванная — нередки случаи, когда при входе туда руки заняты и выполнять ими какие-либо действия очень сложно. В таком случае помогут специальные датчики, осуществляющие автоматическое включение и отключение света. Они бывают нескольких видов:
- реагирующие на звук — подача напряжения на осветительные приборы осуществляется после того, как в контролируемом пространстве раздался звук, громкость которого выше определенного значения;
 
- датчик присутствия — контакты замыкаются, и осуществляется подача напряжения при наличии в поле зрения прибора какого-либо движущегося объекта (реагирует устройство на ИК-излучение);
 
- датчик движения — его работа основывается на постоянном анализе отражаемых звуковых волн, которые излучает устройство. При изменении их частоты происходит замыкание контактов.
 
Каждый датчик имеет как свои достоинства, так и недостатки. Но любой из них сможет сделать использование ванной комнаты или туалета намного проще — нет необходимости постоянно щелкать выключателем мокрыми руками.
Это не только позволяет сэкономить время — но также сделает нахождение во влажном помещении более безопасным, так как количество соприкосновений с электрическими приборами будет сведено к минимуму.

Использование датчиков автоматического включения и выключения позволяет сэкономить некоторое количество денег на электричестве — исключается вероятность забыть выключить свет в ванной или туалете.
Именно поэтому в большинстве случаев установка датчиков не только дает возможность чувствовать себя комфортно, но также оправдывает монтаж с экономической стороны. Автоматическое выключение света в туалете и ванной имеет в большинстве своем только плюсы.
Включение света при открытии двери. Схемы автоматического управления освещением
Подключение приведенных выше датчиков по схеме «и» или «или», позволяет полностью автоматизировать процесс управления освещением:
- Так называемая логика «и» — это когда включение освещения наступает при срабатывании сразу двух датчиков.
 - Например, при снижении освещенности срабатывает датчик освещенности, и падает питание к датчику движения, при срабатывании которого и включается свет. Таким образом, срабатывание одного из этих датчиков не приведет к включению света.
 - Логика «или» — это когда свет включится по фактору срабатывания одного из нескольких датчиков. Например: свет включится или по факту снижения освещенности, или по фактору наступления времени срабатывания на таймере.
 
Схемы подключения с одним датчиком
Чтобы разобраться с этим вопросом более детально, давайте рассмотрим разнообразные схемы подключения датчиков. Начнем с наиболее простых схем с одним датчиком.
В качестве примера возьмем схему подключения датчика освещенности, который при снижении уровня естественной освещенности будет давать импульс на включение искусственного освещения. Принцип подключения других датчиков аналогичен.
- Для этого нам потребуется непосредственно сам датчик освещенности. Он может быть двух типов. В первом случае — это датчик с коммутационным механизмом внутри. Такое устройство способно управлять освещением с токами до 6, 10 или 16А. Более высокие токи приведут к перегоранию контактной части реле.
 
Принципиальная электрическая схема датчика освещенности
- Второй тип реле — это автомат управления освещением с выносным датчиком. Автомат и датчик соединяются при помощи провода. В этом случае, датчик подает лишь управляющий импульс на автомат, а коммутация цепи происходит уже непосредственно автоматом. Такие устройства способны включать и отключать освещение с номинальными токами до 32А, а иногда и выше.
 - В нашем примере мы рассмотрим подключение датчика освещенности первого типа, как более распространенного. Для его работы, нам потребуется подключить к нему фазный и нулевой провод (см. Как прозвонить провода: рассмотрим варианты ).
 

Подключение датчика освещенности без выключателя
- Для этого фазный провод подключаем от выключателя сети освещения, которую мы планируем автоматизировать. Причем, подключаем его на приходящий от распределительной коробки или от группового автомата контакт. Нулевой провод подключаем непосредственно в распределительной коробке — или шкафу управления освещением, как на
 - Теперь датчик у нас работоспособен, но пока еще нечего не коммутирует. Для этого нам необходимо к третьему выводу датчика подключить еще один провод. Он так же будет фазным, и подключается либо на уходящий контакт выключателя, либо непосредственно к ближайшему светильнику. Нулевой провод для светильника берется отдельно от распределительного щита или коробки.
 

На фото правильное подключение любого датчика с шунтирующим выключателем
Обратите внимание! Наша инструкция не даром делает такой акцент на подключение от выключателя. Дело в том, что согласно нормам ПУЭ, любые сети освещения с автоматическим управлением должны быть оборудованы системой ручного управления, которая шунтирует средства автоматизации. Проще говоря, должен стоять выключатель, который позволит включить свет помимо датчика.
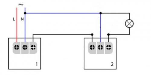
Схемы подключения с двумя датчиками
Теперь давайте рассмотрим вопрос подключения сразу нескольких датчиков. При этом у нас будет два варианта: первый подключение по логике «и», а второй по логике «или».
- В качестве примера, давайте рассмотрим вариант, когда нам необходимо, чтобы освещение включалось, когда будет достаточно темно, и когда в определенной зоне есть человек. Для этого нам потребуется датчик освещенности и датчик движения. Вместо датчика движения может быть датчик присутствия.
 

Последовательная схема подключения датчиков
- Теперь давайте разберем схему подключения – она называется последовательной. Прежде всего, как в варианте с подключением одного датчика, монтируем датчик освещенности. Только провод, который у нас шел к светильникам, подключаем в качестве приходящего фазного к датчику движения. А уже уходящий фазный провод от датчика движения подключаем к светильникам. При этом нулевой провод для датчика движения, мы подключаем в шкаф управления освещением наружным или распределительную коробку. Можно на один контакт с нулевым проводом датчика освещенности.
 - При такой схеме, после того как снизится уровень естественного освещения, сработает датчик освещенности. Он подаст фазу на датчик движения, и тот включится в работу. После того, как в зону действия датчика попадет человек, он сработает и включит освещение.
 - Теперь давайте рассмотрим вариант, когда у нас имеется длинная дорожка. Нам необходимо, чтобы свет зажегся тогда, когда с одной или со второй стороны дорожки появится человек. Зона действия одного датчика движения недостаточна для охвата всей дорожки. Поэтому нам потребуется два, или даже три датчика.