Схема подключение газового котла к системе отопления. Этапы подключения газовых котлов
Схема подключение газового котла к системе отопления. Этапы подключения газовых котлов
Схема подключения газового котла к системе отопления довольно сложная, трудоёмкая и предполагает определённых знаний и опыта. Газовые котлы с каждым поколением становятся всё более высокоэффективными, безопасными, автоматика и регулировка усложняется. Большое распространение нашли универсальные котлы, которые не только отапливают помещение, но и греют воду.
Изготовители разрабатывают памятки и инструкции, где объясняют, как правильно выполнить подключение двухконтурного газового котла к системе отопления. Несмотря на сложности, разобраться с этапами монтажа можно самостоятельно. Это гораздо экономически выгоднее, ведь монтажные работы стоят очень не дешево.
Чтобы разобраться, как подключить газовый котел, следует разбить все действия на несколько этапов:
- монтаж агрегата (или крепление на стену, если это настенный вариант);
- работы по подсоединению водяного отопительного контура;
- подключение к водоснабжению (двухконтурных отопительных агрегатов);
- подключение к газопроводу;
- пусконаладочные работы.
Чтобы работа котла была безопасной и эффективной, нужно разобраться в особенностях каждого этапа.

Перед тем, как начать монтаж, нужно приобрести все необходимые расходные материалы, определиться, какими трубами подключать газовый котел и выяснить, к какому типу он относится:
- Одноконтурный котёл. Имеет один теплообменник и предназначен только для отопления.
- Двухконтурный котёл. Обслуживает два теплообменника: в одном циркулирует теплоноситель для водяного отопительного контура, второй предназначен для решения проблемы горячего водоснабжения. В летний период основной контур отключают. Подключение двухконтурного котла своими руками требует внимательности.
Системы отопления тоже бывают разными: закрытого или открытого типов. Теплоноситель может циркулировать принудительно либо самотёком. Однако принципы подключения котлов к отопительным системам одинаковые.

Очень простые в монтаже настенные газовые аппараты. Они небольшие по размерам и идут полностью со всей необходимой комплектацией, которые впоследствии понадобятся при монтаже. Для безопасной эксплуатации многие современные газовые агрегаты оснащаются специальными датчиками, которые сигнализируют о неполадках в системе. Это позволяет вовремя устранить небольшие поломки и этим избежать серьёзного и затратного ремонта всей системы. Поэтому котлы, которые с первого взгляда кажутся сложными в обслуживании, на самом деле, значительно экономят средства на их ремонте.
Схема подключение выключателя. Схемы подключения выключателей
При проектировании освещения необходимо знать про основные схемы подключения выключателей. Схема подключения выключателя напрямую зависит от тех задач, которые стоят перед определенным выключателем, т.е. управление тем или иным светильником или группой светильников.
1 Схема подключения одноклавишного выключателя:

Схема подключения двухклавишного выключателя
Самый простой одиночный светильник подключают именно по такой схеме. Контакт выключателя коммутирует фазу. Большинство светильников в наших домах и офисах подключены таким образом.
Выключатель освещения всегда должен разрывать фазный проводник!
2 Схема подключения двухклавишного выключателя:

Схема подключения двухклавишного выключателя
Данная схема применяется для включения (отключения) светильников в больших помещениях или одиночных многоламповых светильников. Все светильники или лампы делятся на две группы. Каждая клавиша служит для управления отдельной группы.
3 Схема подключения трехклавишного выключателя:

Схема подключения трехклавишного выключателя
Применение данной схемы аналогично двухклавишному выключателю. Все светильники делят на три группы.
4 Схема подключения выключателей на два направления:

Схема подключения выключателей на два направления
В длинных помещениях с двумя выходами, т.е. в проходных помещениях целесообразно устанавливать проходные выключатели – выключатели для управления из двух мест. Данные выключатели имеют особую контактную группу и одну клавишу. Недавно такиеприменял в коридоре при реконструкции частного дома.
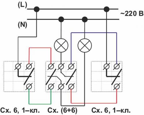
5 Схема подключения двухклавишных выключателей на два направления со схемами (6+6):

Схема подключения двухклавишных выключателей на два направления со схемами (6+6)
По всей видимости такую схему нужно применять для длинных коридоров. В начале и в конце помещения возле выходов устанавливают обычные проходные одноклавишные выключатели со схемой 6, а посередине коридора – двухклавишный выключатель со схемой (6+6). Схема работает так: зашел в помещение – включил свет только первой половины светильников, дошел до середины – одной клавишей включил вторую половину светильников, первую половину светильников выключил второй клавишей выключателя, дошел до конца коридора – выключил вторую часть светильников.
6 Схема подключения выключателей на два направления со схемами 6 и 6/2:

Схема подключения выключателей на два направления со схемами 6 и 6/2
Отличие от предыдущей схемы в том, что в центре используется одноклавишный выключатель со схемой 6/2. Здесь при нажатии на этот выключатель одни светильники отключаются, а вторые включаются.
7 Схема управления светильником или группой светильников из четырех мест с помощью выключателей со схемами 6 и 6/2:

Схема управления светильником или группой светильников из четырех мест с помощью выключателей со схемами 6 и 6/2
Данную схему я применяю в разветвленных коридорах с тремя или четырьмя выходами. По кроям установлены выключатели со схемой 6, а в центре – со схемой 6/2.
Стоит отметить, что на данных схемах не изображен защитный заземляющий проводник – PE, который должен быть в обязательном порядке, хотя в бытовых люстрах, зачастую, его некуда подключать. Ну и про распределительные (клеммные) коробки нужно помнить.
Вывод: самые распространенные схемы выключателей:
- одноклавишный выключатель;
- двухклавишный выключатель;
- трехклавишный выключатель;
- проходной одноклавишный выключатель со схемой 6;
- проходной одноклавишный выключатель со схемой 6/2.

Схема подключение бойлера. Как правильно подключить бойлер
Отказ от использования централизованного горячего водоснабжения — скорее исключение, чем правило. На то есть несколько причин:
- Вы не зависите от состояния котельной, трубопроводов, графиков ремонта.
- Нет абонентской платы.
- Вам не приходится ждать, пока горячая вода доберется до вашего крана (а счетчик тем временем крутится).
Стоимость водонагревателя не такая уж высокая, расход электроэнергии также в пределах разумного. За монтаж можно не переплачивать, установка бойлера своими руками — вполне доступная операция для домашнего мастера. Проблем с размещением также нет: бак можно подвесить в любой из сантехнических комнат.

Виды бойлеров, которые можно использовать в жилом помещении
Казалось бы, это просто аппарат для нагрева воды. Тем не менее, существует огромное количество конструкций, которые можно объединить в несколько групп.

Существуют газовые, жидко- и твердотопливные бойлеры. В нашем материале мы рассматриваем электрический водонагреватель.
Бойлеры различаются по способу нагрева
- Накопительные водонагреватели имеют собственную емкость. Такой бойлер устанавливается в квартире с ванной или душем. Пользоваться им безопасней, поскольку после нагрева можно отключить его, и не будет риска поражения электротоком. Принцип действия следующий: в бак набирается вода, затем включается нагревательный элемент.
При достижении выбранной температуры нагрева, автоматика отключает питание. Горячая вода подается в трубу под давлением напора холодной воды. Патрубки расположены таким образом, что слои нагретой и холодной воды не смешиваются. Это позволяет сохранить температуру носителя до обновления 50––70% объема.Подключение бойлера к электросети не сложнее, чем любого другого мощного электроприбора. Желательна отдельная линия с УЗО, и заземление водонагревателя. Недостаток такой конструкции — громоздкие размеры, большой вес. Достоинства: нет необходимости в источнике питания высокой мощности. Воду можно нагревать постепенно, используя экономичный режим нагревателя. Кроме того, накопительная емкость выполнена в виде термоса (стенки утеплены). Это значит, что нагрев можно осуществлять в периоды экономной тарификации, например, ночью. А затем пользоваться горячей водой в течение рабочего дня. - Проточные нагреватели. Принцип действия заложен в названии. Такие приборы не имеют накопительной емкости, вода проходит в непосредственной близости от нагревателя, либо напрямую с ним контактирует: принцип теплообменника. Пока идет циркуляция внутри электроводонагревателя, температура носителя повышается.
Нагревательный элемент должен быть настолько мощным, чтобы вода успевала нагреться за относительно короткий путь прохождения. Поэтому подключение проточного водонагревателя к электросети требует мощной выделенной линии питания. В момент работы резко возрастает нагрузка на сеть. Производители всегда идут на компромисс: компактный размер подразумевает высокую мощность.
А если уменьшить нагрузку на сети, теплообменник должен быть объемным. В таком случае ему требуется место для монтажа, теряется одно из преимуществ: компактность.
- Еще один неоспоримый плюс такой системы — моментальная готовность к работе. Бойлер накопительного типа необходимо прогревать заранее, к тому же, есть некоторые потери при хранении горячей воды. Установка проточного водонагревателя дает возможность пользоваться горячей водой в любой момент.
Принципиальных преимуществ по расходу электроэнергии у разных типов нагревателей нет.
Для нагрева одинакового количества воды, требуется одно и то же количество энергии. Есть копеечные потери при использовании накопительной емкости, но они несущественны.
При достижении выбранной температуры нагрева, автоматика отключает питание. Горячая вода подается в трубу под давлением напора холодной воды. Патрубки расположены таким образом, что слои нагретой и холодной воды не смешиваются. Это позволяет сохранить температуру носителя до обновления 50––70% объема.Подключение бойлера к электросети не сложнее, чем любого другого мощного электроприбора. Желательна отдельная линия с УЗО, и заземление водонагревателя. Недостаток такой конструкции — громоздкие размеры, большой вес. Достоинства: нет необходимости в источнике питания высокой мощности. Воду можно нагревать постепенно, используя экономичный режим нагревателя. Кроме того, накопительная емкость выполнена в виде термоса (стенки утеплены). Это значит, что нагрев можно осуществлять в периоды экономной тарификации, например, ночью. А затем пользоваться горячей водой в течение рабочего дня.
Нагревательный элемент должен быть настолько мощным, чтобы вода успевала нагреться за относительно короткий путь прохождения. Поэтому подключение проточного водонагревателя к электросети требует мощной выделенной линии питания. В момент работы резко возрастает нагрузка на сеть. Производители всегда идут на компромисс: компактный размер подразумевает высокую мощность.
А если уменьшить нагрузку на сети, теплообменник должен быть объемным. В таком случае ему требуется место для монтажа, теряется одно из преимуществ: компактность.