Как сделать светодиодную ленту своими руками. Установка
- Как сделать светодиодную ленту своими руками. Установка
 - Как подключить светодиодную ленту. Подключение светодиодной ленты
 - Адресная светодиодная лента своими руками. Описание и правильная работа с адресной светодиодной лентой
 - Светодиодная лента. №1. Как работает светодиодная лента?
 - Как сделать светодиодную ленту на кухне. КАК ВЫБРАТЬ СВЕТОДИОДНУЮ ЛЕНТУ
 - Мигающая светодиодная лента своими руками. Как сделать мигающий светодиод
 - Видео изготовление светодиодной полоски своими руками
 
Как сделать светодиодную ленту своими руками. Установка
Проложите подготовленные куски лент по периметру потолка, снимите защитный слой бумаги и приклейте ее к алюминиевому профилю. Если захотите приклеить непосредственно к основанию полка, то она со-временем может отклеиться, так как идет нагрев площадки светодиодов, поэтому карнизы изнутри не подшиваются гипсокартоном, а лента клеится непосредственно на профили.
Установите трансформатор на нишу-полку и подсоедините к нему выводы от контроллера – это будет всего два провода. Перед этим, внимательно посмотрите на схему подключения.
Как сделать светодиодный потолок, если вы, к примеру, используете натяжной? Светодиоды можно спрятать над ним. Для этого нужно, предусмотреть место под трансформатор и контроллер.
Если позволяет пространство, их можно спрятать в карниз. Способ крепление ленты такое же, как и в предыдущих примерах.

Ну что, справились? Тогда, вас можно поздравить. Вы узнали, как установить светодиодную ленту в нишу потолка.
И вы научились еще одному способу, как можно изменить и украсить свое жилье. К тому же, еще и узнали о других способах применения светодиодных лент. Удачи Вам!
Подсветка потолка светодиодной лентой своими руками
Уже прошло 3 года с момента сдачи дома-новостройки в эксплуатацию.
Сперва я сделал простой ремонт своими руками. Теперь дом сел, стены прогрелись и проявились некоторые дефекты. На потолке в местах стыка плит появились две большие трещины длиной по 6 метров вдоль всей комнаты.
Супруга стала требовать ремонт, но современных и интересных вариантов отделки много и она не может определиться. Задумал сделать подсветку потолка светодиодной лентой своими руками.

Почитал на других сайтах про монтаж, но там написана бесполезная муть, потому что пишут авторы, которые в этом не разбираются и никогда этим не занимались. Объяснять супруге тонкости и преимущества всё равно придется, поэтому решил это сделать в письменном виде, вам тоже будет интересно.
Как подключить светодиодную ленту. Подключение светодиодной ленты
Большая часть светодиодных лент работает от напряжения 12 В или 24 в. Если линейка кристаллов одна, питание требуется 12 В, если их две — 24 в. Подходит любой источник постоянного тока, выдающий такое напряжение: аккумулятор, блок питания, батарея и т.д.

Схема подключения светодиодной ленты к сети 220 В через блок питания
Чтобы подключить ленту к бытовой сети 220 В требуется преобразователь или адаптер (еще называют блоками или источниками питания, адаптерами).
Недавно появились ленты, которые сразу можно подключать к сети в 220 В. Все они запаяны в пластиковые трубки — 220 Вольт это уже не шутки. Режутся тоже по намеченным линиям, соединяются при помощи специального коннектора, который вставляется в проводники. К коннектору подключается шнур со встроенным выпрямителем (это диодный мост и конденсатор).

Подключение специальной светодиодной ленты к сети 220В
Отличается эта лента от обычной тем, что в ней небольшие участки (20 шт) со светодиодами подключены не последовательно, а параллельно, еще и так, что диоды направлены навстречу друг другу. За счет этого получаем требуемое напряжение в 220 Вольт или около того. Переменный ток преобразуется в постоянный при помощи диодного моста, а пульсация гасится конденсатором.

Схема подключения светодиодной ленты без блока питания
В принципе, такую ленту можно собрать из обычной, но нужно будет позаботиться об изоляции: прикосновение к элементу, подключенному к бытовой сети без переходника чревато серьезными последствиями.
Как подключить несколько светодиодных лент
Каждая из лент, в зависимости от используемых модулей и количества элементов на одном метре, потребляет различное количество тока. Средние параметры приведены в таблице. Зная, какой длины вы хотите смонтировать подсветку, можно выбрать адаптер, который будет выдать требуемый ток.

Таблица потребляемого тока светодиодными лентами, питающимися от 12 В
Иногда требуемая длина ленты превышает 5 метров — когда необходимо подсветить комнату по периметру. Даже если блок питания может выдать требуемый ток, соединять последовательно две или больше пятиметровые ленты нельзя. Максимально допустимая длина одной ветки — вот те 5 метров, которые приходят в бобине. Если дорастить ее, подключив вторую последовательно, по дорожкам первой ленты будет проходить ток, многократно превышающий расчетный. Это приведет к быстрому выходу элементов из строя. Может даже расплавится дорожка.
Если мощность блока питания такова, что к нему можно подключить несколько лент, к каждой из них тянут отдельные проводники: схема подключения параллельная.

Как подключить несколько светодиодных лент к одному блоку питания
В таком случае удобно блок питания располагать посредине, например, в углу, а от него — две ленты по обе стороны. Но часто дешевле купить несколько менее адаптеров, чем один более мощный.
Подключение RGB ленты через контроллер
Последовательно подключаются сначала блок питания, потом контролер. Между собой они подключаются двумя проводами. Из контроллера выходят уже 4 проводника, которые разводятся по соответствующим контактным площадкам ленты RGB.

Подключение светодиодной ленты RGB через контроллер
Точно также, как и в монохромных лентах, и в этом случае максимально допустимая длина одной линии — 5 метров. Если необходимо большая длина, то от контроллера отходят два пучка проводов по 4 штуки в каждом, то есть соединяются они параллельно. Длинна проводников может быть разной, но более рационально, чтобы блок питания и контроллер находился посередине, а в стороны уходят две ветки подсветки.
Адресная светодиодная лента своими руками. Описание и правильная работа с адресной светодиодной лентой
Если вы житель крупного мегаполиса, то наверняка замечали, как торговые комплексы или бизнес-центры по ночам сверкают подобно телевизору. По ним бегают разноцветные змейки, фигурки, а иногда происходят целые микро-сюжеты. Красочная иллюминация зданий (или архитектурная подсветка) возможна благодаря адресной светодиодной ленте. О ней и пойдет речь в данной статье.

Что это
В отличие от обычной led ленты в адресной каждый светодиод или участок цепи управляется отдельно. Регулирование такой подсветки идет с пульта управления или через запрограммированную плату Arduino .
Технические характеристики
Наиболее качественной и современной является лента ws2812b.
От своих предшественников отличается:
- компактностью;
 - простым управлением;
 - неограниченным кол-вом последовательно включенных светодиодов.
 
Максимальный ток, подаваемый на один светодиод ws2812b – 60 миллиампер.
Рабочее напряжение — 5 вольт.
Для каждого светодиода 256 градаций яркости.
Принцип работы
Если рассмотреть в деталях, то можно заметить, что в отличие от обычных led лент рядом с каждым адресным светодиодом находится маленький контроллер (в виде микросхемы) – это и позволяет регулировать их по отдельности.
Обычно лента содержит в себе три-четыре контакта. Два из них питание 5 вольт и ноль, остальные – для управления диодами, логические.
Запустить такую систему нельзя без цифрового контроллера (пульт или Ардуино), который ею управляет.
Сфера применения
Работа с адресной светодиодной лентой – удовольствие не из дешевых. Она достаточно дорогая и используется чаще всего в рекламных вывесках и шоу-бизнесе. Программируются иногда целые многометровые экраны с движущейся картинкой. Широко используются такие системы в дизайне. Например, для подсветки дверей, окон или лестницы.

Среди радиолюбителей встречается интеллектуальная подсветка фоторамок, картин, мебели, потолков и плинтусов.

Мы не будем рассматривать масштабные бизнес иллюминации и крупные праздничные проекты. Все, что будет описано ниже, актуально для домашнего пользования.
Как подключить
Подключить адресную ленту ws2812b несложно. Необходимо подать питание через блок питания на 5 вольт и на ленту, плюс и минус. Найти блок питания с нужным напряжением не должно составить труда.
Обратите внимание, что контакты с двух сторон похожи: DIN, +5V, GND и DO, +5V, GND. Подключать нужно именно вход, то бишь DIN, в противном случае лента не заработает.

Настройка и управление
После подключения цепи главным образом настраивается выходной сигнал для цифрового управляющего устройства Arduino. После покупки Ардуино нужно скачать софт для программирования с официального сайта производителя.
Arduino используется в учебных проектах для первых шагов практиканта в программировании, электроники и робототехники. С помощью такого устройства в тандеме с дополнительным датчиком можно получать данные температуры, давления, влажности и проч. Индикация идет на светодиодные лампочки.
Например, датчик влажности почвы:
Подробней рассмотреть программирование и разные возможности Ардуино можно в интернете, материалов много. В данной статье стоит задача только в обзорном виде показать, что такое адресная светодиодная лента и как она настраивается.
В программе Arduino всего две библиотеки для программирования светодиодов. Пользователи рекомендуют библиотеку Adafruit NeoPixel. По словам опытных радиолюбителей, в ней рациональное использование памяти, так как нет ничего лишнего. Вторая библиотека FastLED. Тоже отлично справляется со своей задачей, но занимает больше внутренней памяти устройства Ардурино.
Прежде, чем заняться серьезным программированием светодиодов, рекомендуем ознакомиться с этим
Здесь просто и доступно показана элементарная программка:
Нет смысла приобретать устаревшие образцы. Рекомендуем брать только ws2812b.

Перед эксплуатацией и работой над своими осветительными проектами запомните две вещи:
- Контроллеры светодиодов (впаянные в ленту) при слишком низких температурах могут нестабильно работать и даже выйти из строя.
 - После перегорания одного светодиода по цепочке перестанут работать все остальные, так как программная информация не передается дальше. Впрочем, в некоторых моделях стоят доп.контакты передачи данных, и такой проблемы нет.
 
В заключение
Если вы заой статьи и захотели попробовать сделать несложную иллюминацию из адресной ленты светодиодов, пишите комментарии. А также делитесь статьей в социальных сетях!
Светодиодная лента. №1. Как работает светодиодная лента?
Наверняка, в интернете или у кого-то из знакомых вы встречали эффектную подсветку плинтуса , потолка или рабочей зоны на кухне , выполненную из сплошного ряда лампочек. Это и есть светодиодная (LED) лента. Её основой является полоса диэлектрика толщиной всего 0,2 мм. На нее наносят токопроводящие дорожки, а на них, в свою очередь, располагаются контактные площадки, на которые осуществляется монтаж светодиодов. Также на ленте есть резисторы, которые ограничивают потребляемый ток.
Светодиоды на ленте расположены на одинаковом расстоянии друг от друга, благодаря чему достигается равномерное свечение. Чем крупнее светодиоды и чем выше их плотность, тем ярче будет свечение.
Ленты выпускают в бобинах длиной по 5 м и шириной от 8 до 40 мм. Каждая лента – это множество отдельных модулей длиной 2,5-10 см, на каждом модуле установлено определенное количество светодиодов и резисторов. Между модулями есть места для разреза . Это значит, что вы сможете отрезать фрагмент необходимой длины и/или соединить несколько отрезков в одну цепь. Обратная сторона ленты часто бывает самоклеящейся, что значительно упрощает ее монтаж.
Для подключения светодиодной ленты понадобится блок питания, который будет подавать на светодиоды ток 12 В (реже 24 В или 36 В), понижая исходные 220 В. Для многоцветных лент также потребуется контроллер. Для регулировки яркости могут использоваться диммеры . 
Все данные о напряжении, цветах свечения, размере диодов, их количестве на метр и прочие сведения указываются в маркировке. Пример: LED 12V RGBW SMD 5050 120 IP65. Расшифровка в таблице ниже.
Плюсы светодиодных лент :
- минимальное потребление энергии при достаточно высокой яркости свечения;
 - возможность монтажа в самых труднодоступных местах, лента практически не отнимает полезное пространство;
 - относительная простота монтажа;
 - долговечность. Если вы выбрали качественную ленту и обеспечили ей требуемые условия температуры и влажности, то она честно просветит обещанные 20-50 тысяч часов. Некачественные ленты неизвестных производителей могут выйти из строя в первый же год эксплуатации;
 - если перегорит один из светодиодов, перестанут светить только 3 диода, а не все. Это связано с особенностями строения ленты;
 - светодиоды не боятся ударов и низких температур;
 - возможность реализовать интересные идеи в плане освещения, например, эффект парящего потолка. Выпускаются ленты с свечением разных цветов, а в некоторых предусмотрена возможность менять цвет и яркость свечения.

 
Минусы :
- необходимость использования блока питания;
 - через 20-50 тысяч часов яркость светодиодов уменьшается.
 
Как сделать светодиодную ленту на кухне. КАК ВЫБРАТЬ СВЕТОДИОДНУЮ ЛЕНТУ
Светодиодная лента на кухне должна быть защищена от воды, это одно из условий безопасной эксплуатации. Минимальный уровень влагозащиты — IP44 (выдерживает попадание отдельных капель воды), лучше IP65 (струя воды). Напряжение — 12 Вт, как самое безопасное.
Светодиодная подсветка для рабочей зоны кухни должна быть яркой, по спектру приближена к естественному дневному свету.
Рекомендуем использовать ленту с трёхкристальными светодиодами типа SMD 50х50 из 30 диодов по 12 люменов каждый на метр длины.
Если желаете иметь свет поярче, особенно при оснащении подсветки диммером, лучше выбрать изделие из 60 диодов. Цветовая температура в пределах от 3300 до 500 К.
Дополнительная подсветка для кухни, как правило, не должна быть яркой. Зачастую хватает светового потока SMD 35х28 из 30 диодов по 5 люменов на метр. Цвет значимой практической роли не играет и больше зависит от дизайнерской задумки.
Технические характеристики рекомендованных лент
КАК ВЫБРАТЬ БЛОК ПИТАНИЯ И ВЫКЛЮЧАТЕЛЬ ДЛЯ СВЕТОДИОДНОЙ ЛЕНТЫ НА КУХНЕ
Чтобы светодиодная подсветка на кухне работала стабильно, рекомендуем выбирать блок питания с запасом по мощности около 25%. Мощность ленты зависит от модели, технические характеристики можно узнать у продавца.
Так, SMD 50х50 из 30 диодов «берёт» 7,2 Вт на метр длины. Таким образом, если протяжённость составит, к примеру 4 м, общая мощность будет равняться 28,8 Вт. Соответственно, блок питания с 25% запасом — 36 Вт.
Выбирайте компактную модель, легче будет спрятать.
Что же касается выключателя, то возможны следующие варианты:
- Простой кнопочный.
 - Сенсорный от прикосновения.
 - Инфракрасный, реагирует на взмах руки.
 - Диммер, регулирующий световой поток. Управление может быть механическим, в виде вращающейся рукоятки или сенсорным.
 - Блок управления, заставляющий свет мигать или переливаться разноцветными огнями, если выбрана многоцветная RGB-лента. Хотя, такие эффекты применяют нечасто.
 
Мигающая светодиодная лента своими руками. Как сделать мигающий светодиод
Мигающие светодиоды часто применяют в различных сигнальных цепях. В продаже довольно давно появились светодиоды (LED) различных цветов, которые при подключении к источнику питания периодически мигают. Для их мигания не нужны никакие дополнительные детали. Внутри такого светодиода смонтирована миниатюрная интегральная микросхема, управляющая его работой. Однако для начинающего радиолюбителя намного интереснее сделать мигающий светодиод своими руками, а заодно изучить принцип работы электронной схемы, в частности мигалок, освоить навыки работы с паяльником.
Как сделать светодиодную мигалку своими руками
Существует множество схем, с помощью которых можно заставить мигать светодиод. Мигающие устройства можно изготовить как из отдельных радиодеталей, так и на основе различных микросхем. Сначала мы рассмотрим схему мигалки мультивибратора на двух транзисторах. Для ее сборки подойдут самые ходовые детали. Их можно приобрести в магазине радиодеталей или «добыть» из отживших свой срок телевизоров, радиоприемников и другой радиоаппаратуры. Также во многих интернет магазинах можно купить наборы деталей для сборки подобных схем led мигалок.

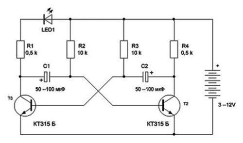
На рисунке изображена схема мигалки мультивибратора, состоящая всего из девяти деталей. Для ее сборки потребуются:
- два резистора по 6.8 – 15 кОм;
 - два резистора имеющие сопротивление 470 – 680 Ом;
 - два маломощных транзистора имеющие структуру n-p-n, например КТ315 Б;
 - два электролитических конденсатора емкостью 47 –100 мкФ
 - один маломощный светодиод любого цвета, например красный.
 
Не обязательно, чтобы парные детали, например резисторы R2 и R3, имели одинаковую величину. Небольшой разброс номиналов практически не сказывается на работе мультивибратора. Также данная схема мигалки на светодиодах не критична к напряжению питания. Она уверенно работает в диапазоне напряжений от 3 до 12 вольт.
Схема мигалки мультивибратора работает следующим образом. В момент подачи на схему питания, всегда один из транзисторов окажется открытым чуть больше чем другой. Причиной может служить, например, чуть больший коэффициент передачи тока. Пусть первоначально больше открылся транзистор Т2. Тогда через его базу и резистор R1 потечет ток заряда конденсатора С1. Транзистор Т2 будет находиться в открытом состоянии и через R4 будет протекать его ток коллектора. На плюсовой обкладке конденсатора С2, присоединенной к коллектору Т2, будет низкое напряжение и он заряжаться не будет. По мере заряда С1 базовый ток Т2 будет уменьшаться, а напряжение на коллекторе расти. В какой-то момент это напряжение станет таким, что потечет ток заряда конденсатора C2 и транзистор Т3 начнет открываться. С1 начнет разряжаться через транзистор Т3 и резистор R2. Падение напряжения на R2 надежно закроет Т2. В это время через открытый транзистор Т3 и резистор R1 будет течь ток и светодиод LED1 будет светиться. В дальнейшем циклы заряда-разряда конденсаторов будут повторяться попеременно.
