Теплый пол электрический: полное руководство по монтажу своими руками
- Теплый пол электрический: полное руководство по монтажу своими руками
- Связанные вопросы и ответы
- Что такое электрический теплый пол и какие его преимущества
- Какие материалы и инструменты необходимы для монтажа электрического теплого пола
- Как правильно подготовить поверхность пола перед установкой теплого пола
- Как выбрать подходящий тип электрического теплого пола для вашего дома
- Какие правила безопасности нужно соблюдать при монтаже электрического теплого пола
- Как подключить электрический теплый пол к электрической сети
- Как установить терморегулятор для электрического теплого пола
Теплый пол электрический: полное руководство по монтажу своими руками
Теплый электрический пол — это современное и удобное решение для обогрева помещений. Он не только обеспечивает комфортную температуру в доме, но и эстетически привлекателен, так как не требует установки радиаторов или других отопительных приборов. В этой статье мы рассмотрим все этапы монтажа электрического теплого пола своими руками, а также предоставим полезные советы и рекомендации.
Выбор материалов
Перед началом монтажа важно выбрать подходящие материалы. Основные компоненты электрического теплого пола включают:
- Нагревательные элементы (инфракрасные маты, кабель или резистивные маты)
- Термостат
- Изоляция
- Гидроизоляция
- Стяжка
- Финишное покрытие (напольное)
| Материал | Описание | Преимущества |
|---|---|---|
| Инфракрасные маты | Представляют собой маты с встроенными нагревательными элементами | Высокий КПД, долговечность |
| Кабель | Нагревательный кабель, который укладывается по поверхности | Гибкость, возможность регулировки длины |
| Резистивные маты | Маты с резистивными нагревательными элементами | Простота монтажа, надежность |
Подготовка помещения
Перед началом монтажа важно подготовить помещение. Это включает:
- Очистку пола от старых покрытий и мусора
- Заделку трещин и неровностей
- Утепление стен и потолка (если требуется)
- Обеспечение хорошей вентиляции
Установка термостата
Термостат — это важнейший элемент электрического теплого пола, который регулирует температуру. Установка термостата включает:
Шаги установки термостата
- Выбор места для установки термостата (обычно near the electrical panel)
- Подключение термостата к электрической сети
- Настройка термостата согласно инструкции
Установка нагревательных элементов
Установка нагревательных элементов — это один из самых важных этапов монтажа. В зависимости от типа нагревательных элементов, процесс может различаться.
Для инфракрасных матов
- Раскладка матов на полу
- Подключение матов к термостату
- Проверка работы матов
Для кабеля
- Укладка кабеля по поверхности
- Закрепление кабеля
- Подключение кабеля к термостату
Изоляция и гидроизоляция
Изоляция и гидроизоляция необходимы для предотвращения потерь тепла и повреждения нагревательных элементов.
Шаги изоляции
- Укладка изоляционного слоя
- Нанесение гидроизоляционной мембраны
- Проверка герметичности
Заливка стяжки
Следующий шаг — заливка стяжки, которая обеспечивает равномерное распределение тепла.
| Материал | Количество | Примечания |
|---|---|---|
| Цемент | 1 мешок | Для стяжки |
| Песок | 3 мешка | Для стяжки |
| Вода | По необходимости | Для раствора |
Финишное покрытие
Последний этап — установка финишного покрытия, которое должно быть совместимо с электрическим теплым полом.
| Покрытие | Описание | Совместимость |
|---|---|---|
| Паркет | Естественный вид | Да |
| Ламинат | Простота монтажа | Да |
| Керамическая плитка | Долговечность | Да |
Рекомендации
Для обеспечения долгой работы электрического теплого пола важно:
- Соблюдать инструкции по монтажу
- Проводить регулярное обслуживание
- Использовать качественные материалы
Связанные вопросы и ответы:
Вопрос 1: Какие преимущества и недостатки у электрического теплого пола
Электрический теплый пол имеет множество преимуществ, таких как комфорт и равномерное распределение тепла, а также эстетическая привлекательность, так как он скрыт под напольным покрытием. Он не занимает дополнительного пространства и может быть установлен в любом помещении. Однако у него есть и недостатки. Одним из главных минусов является высокая стоимость электроэнергии, особенно если система используется круглосуточно. Также возможны сложности в ремонте, если возникнет неисправность, так как приходится разбирать напольное покрытие. Кроме того, электрический теплый пол может быть менее энергоэффективным по сравнению с водяными системами отопления.
Вопрос 2: Какие материалы и инструменты необходимы для монтажа электрического теплого пола
Для монтажа электрического теплого пола вам понадобятся такие материалы, как нагревательные маты или кабели, терморегулятор, датчик температуры, гидроизоляционная пленка, клей для плитки или наливной пол. Из инструментов вам потребуется дрель, ножницы для резки кабеля, мультиметр для проверки сопротивления, уровень для выравнивания поверхности, а также материалы для подготовки пола, такие как цементная смесь или выравнивающая стяжка.
Вопрос 3: Как подготовить поверхность пола перед установкой электрического теплого пола
Подготовка поверхности пола перед установкой электрического теплого пола включает в себя несколько этапов. Сначала необходимо очистить пол от старого покрытия, грязи и мусора. Если на поверхности есть трещины или неровности, их нужно заделать цементной смесью. После этого пол нужно выровнять с помощью специальной стяжки или наливного пола. Также важно проверитьность поверхности с помощью уровня. Только после полного высыхания и подготовки поверхности можно приступать к укладке нагревательных элементов.
Вопрос 4: Какой тип электрического теплого пола лучше выбрать для своего дома
Выбор типа электрического теплого пола зависит от ваших потребностей и особенностей помещения. Если вы хотите быстрый нагрев и возможность локального обогрева, можно выбрать инфракрасные обогревательные панели. Если вы ищете более экономичный вариант для постоянного использования, то кабельные системы могут быть лучше. Нагревательные маты удобны для укладки под плитку или ламинат. Также важно учитывать мощность системы и площадь помещения, чтобы выбрать оптимальный вариант.
Вопрос 5: Как установить терморегулятор для электрического теплого пола
Установка терморегулятора для электрического теплого пола начинается с выбора подходящего места для его размещения. Обычно терморегулятор устанавливается на стену в месте, где температура наиболее стабильна. Затем необходимо подключить терморегулятор к электрической сети и к нагревательным элементам. Для этого используются провода, которые нужно разметить и подключить согласно инструкции. Также необходимо установить датчик температуры, который будет контролировать температуру пола и передавать сигналы на терморегулятор. После подключения нужно проверить работу системы с помощью мультиметра, чтобы убедиться в правильности соединений.
Вопрос 6: Какие ошибки могут возникнуть при монтаже электрического теплого пола
При монтаже электрического теплого пола могут возникнуть различные ошибки. Одна из самых распространенных — неправильное расположение нагревательных элементов, что может привести к неравномерному нагреву. Также часто возникает проблема с недостаточной подготовкой поверхности пола, что может вызвать перерасход материалов и плохую отдачу тепла. Еще одна ошибка — неправильное подключение терморегулятора, что может привести к нестабильной работе системы или даже коротким замыканиям. Кроме того, некоторые люди забывают устанавливать гидроизоляцию, что может привести к повреждению нагревательных элементов от влаги.
Вопрос 7: Какие альтернативы существуют для электрического теплого пола
Если электрический теплый пол не подходит для ваших условий, существуют несколько альтернатив. Одним из вариантов является водяной теплый пол, который работает на основе циркуляции горячей воды по трубам. Этот вариант более энергоэффективен, но требует подключения к системе отопления. Также можно использовать пеленги — это радиаторы, встроенные в стены или пол. Еще один вариант — использование инфракрасных обогревателей, которые можно устанавливать на стены или потолок. Кроме того, для локального обогрева можно использовать электрические конвекторы или масляные радиаторы, которые не требуют сложного монтажа.
Что такое электрический теплый пол и какие его преимущества
Такой пол состоит из электрических нагревательных элементов, которые при прохождении по ним тока выделяют тепло. Нагревательные элементы подключают к терморегулятору . Пользователь устанавливает на нем желаемую температуру, после чего регулятор с помощью термодатчика следит за ней и автоматически включает и выключает нагрев, поддерживая температуру на заданном уровне.
Терморегулятор электрического теплого пола. Источник: shutterstock.com
Если в процессе эксплуатации выходит из строя терморегулятор или датчик температуры, пол перестает нагреваться. Понять, что именно вышло из строя, в данном случае просто. Неисправный компонент заменяют новым. Нагревательный элемент — надежное изделие, он ломается редко. Если это случается, отремонтировать его обычно крайне сложно и приходится менять целиком.
Плюсы
- Электрические полы подходят для любых помещений в доме или комнат в квартире, для их установки не нужны согласования.
- Работают независимо от остальной системы отопления.
- Терморегулятор позволяет гибко управлять полами в каждом помещении по отдельности — включать их только тогда, когда нужно.
- Монтаж электрических систем проще монтажа водяных.
- Можно использовать разные напольные покрытия. Есть несколько исключений, которые зависят от конкретного вида теплого пола (подробнее о них расскажем далее).
Минусы
- Расходуют электричество.
- Создают значительную дополнительную нагрузку на электропроводку в доме.
- Требуют заземления. На питающей линии обязательно должно быть установлено УЗО или дифференциальный автомат .
Есть несколько видов электрических теплых полов , которые различаются типом используемых тепловыделяющих элементов — на основе греющего кабеля, инфракрасных пленок или тепловыделяющих стержней.
Георгий Ерахтин
С точки зрения потребителя, все варианты электрического пола можно разделить на две группы — с монтажом в стяжку и укладываемые непосредственно под финишное покрытие.
Полы в стяжке в эксплуатации одинаковые: они защищены от повреждений, их можно использовать во влажных помещениях , на них можно положить любое напольное покрытие. Инфракрасные пленки, наоборот, нельзя монтировать в стяжку, зато они очень легко укладываются поверх нее и не отнимают у помещения высоту.
Кабельный теплый пол
Кабельные полы бывают одножильными и двухжильными. Они различаются особенностями укладки.
Одножильный кабель подключают к электропитанию обоими концами. У него фиксированная длина — укорачивать одножильный кабель нельзя. Для укладки в конкретное помещение нужно подбирать кабель по длине.
Монтаж кабельного теплого пола. Источник: shutterstock.com
Двухжильный кабель также подбирают к размерам помещения по длине, но он подключается к питающей сети одним концом. Благодаря этому двухжильный кабель немного проще в монтаже, чем одножильный.
Кабель можно укладывать в помещениях любого размера и формы. Он подходит даже для монтажа на ступенях лестниц, где ни одна другая электрическая система не годится. При монтаже кабель фиксируют к основанию с помощью монтажной ленты или укладывают в штрабы.
С точки зрения эксплуатации различий между двухжильным и одножильным кабелем нет. Их можно монтировать в одних и тех же помещениях под одни и те же напольные покрытия.
В процессе монтажа кабели заливают в бетонную стяжку. Диаметр даже самого толстого греющего кабеля в несколько раз меньше диаметра труб водяного пола, поэтому и стяжка над ним должна быть тоньше. Ее минимальная толщина — 12 мм. При этом нет никаких ограничений по весу устанавливаемой мебели и выбору финишной отделки: подходят все виды покрытий, которые можно использовать с теплыми полами.
Какие материалы и инструменты необходимы для монтажа электрического теплого пола
Инфракрасный (пленочный) теплый пол монтируется с некоторыми отличиями от своего кабельного «собрата». Следуйте инструкции.

Монтаж инфракрасного электрического теплого пола

Электрический инфракрасный теплый пол

Принципиальная схема подключения ИПО
Составляем схему укладки
Первый шаг. Выбираем место установки терморегулятора. Его монтаж рекомендуется выполнять с 15-сантиметровым отступом от поверхности пола.

Монтаж скрытого терморегулятора теплого пола

Монтаж скрытого терморегулятора теплого пола
Второй шаг. Составляем схему укладки системы обогрева.
Важно: пленку нельзя размещать под крупными бытовыми приборами, мебелью и прочими тяжелыми вещами.
При составлении схемы учитывайте следующие важные нюансы:
- первый ряд пленки должен быть уложен с отступом не менее 100 мм и не более 400 мм от стен;
- если теплый пол будет применяться в качестве основной системы обогрева, он должен занимать как минимум 70-75% суммарной площади поверхности;
- если инфракрасная пленка укладывается в качестве дополнения к имеющемуся обогреву, достаточно, чтобы она занимала порядка 40-50% площади основания.
Укладываем и подключаем систему
Первый шаг. Раскладываем инфракрасную пленку поверх теплоизоляции. Придерживайтесь составленной схемы. При необходимости пленку можно резать по заводским линиям.

Раскладываем инфракрасную пленку поверх теплоизоляции

Резка матов
Укладку элементов выполняйте медными частями контактов вниз по направлению к стене с терморегулятором
Второй шаг. Подключаем контактные зажимы к краю медной полоски и подсоединяем провода.
Конструкция инфракрасного теплого пола

Подключение инфракрасного теплого пола
Третий шаг. Изолируем места разрезов инфракрасной пленки и соединений зажимов и кабелей. Для изоляции хорошо подходит специальная битумная мастика.

Подключение инфракрасного теплого пола
Важно: чем длиннее нагревательные полотнища, тем меньше должно быть контактов. Помните: полоса не может быть длиннее 8 м.
Часть зажимов устанавливайте на токонесущую поверхность. Оставшиеся располагайте внутри нагревательной пленки.
Как правильно подготовить поверхность пола перед установкой теплого пола
Теплый пол, использующий электроэнергию в качестве источника питания, применяется чаще водного аналога. Особенно этот вариант актуальнее в городских квартирах как дополнительный подогрев отдельных комнат.
Сравнительная оценка водяных и электрических теплых полов приведены в этой статье .
Для обустройства инфракрасного теплого пола не требуется получать специальное разрешение
Электрический напольный обогрев в зависимости от типа системы бывает:
- кабельный;
- экранированный;
- пленочный;
- стержневой.
Кабельные системы . Основная роль отводится нагревательному кабелю. Он бывает неэкранированный и экранированный. Первый используется в технических помещениях для утепления отдельных конструкций, например, чтобы избежать промерзания труб, и для других целей.
Экранированный кабель используется в жилых помещениях, в ванной, на кухне, в лоджии и т.д. Этот вариант обогрева выпускают различные производители. Причем, у изделий мощность, длина и рабочее напряжение может быть различным. Эти параметры производитель указывает непосредственно на кабеле.
Нагревательный кабель, продающийся в виде мата, гораздо удобнее в монтаже. Его чаще покупают, несмотря на более высокую цену, чем у кабеля
Пленочные системы работают благодаря нагревательному элементу, представленному карбоном или его смесью с другими составляющими. У разных производителей пленки отличаются типом нанесения, мощностью, предполагаемой нагрузкой и возможностью к саморегуляции. Все они относятся к инфракрасным системам .
Стержневые теплые полы отличаются высокой стоимостью и длительным сроком эксплуатации. Они могут быть использованы в любом помещении и за его пределами.
По принципу обогрева электрические системы подразделяются на:
- конвекционные;
- инфракрасные.
К первым относятся все кабельные модели, а ко вторым – пленки и карбоновые стержни . У инфракрасных систем наиболее высокая теплоотдача – около 97-98%. Тепло, излучаемое инфракрасными полами, обогревает все предметы, находящиеся в зоне их видимости. Причем это излучение совершенно не вредит человеческому организму.
Как выбрать подходящий тип электрического теплого пола для вашего дома
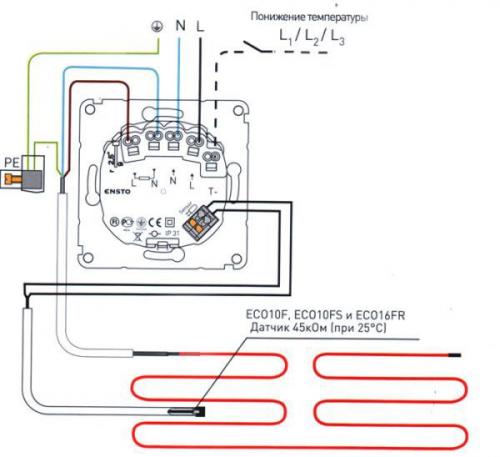
Подключение терморегулятора необходимо производить следуя правилам безопасности: при выключенном электричестве, соблюдая инструкции и схему выполнения.

Выбирая место, в котором будет установлен терморегулятор, необходимо помнить про внешний датчик температуры пола, который размещается минимум на 40 см вглубь теплого пола. Если нагревательный элемент инфракрасная пленка, то датчик устанавливается с её изнаночной стороны.
Высота установки от уровня пола должна быть в пределах 0,4 – 1,7 м, а при установке терморегулятора со встроенным датчиком воздуха рекомендуется высота – 80 см.

Терморегулятор должен быть защищен от попадания жидкости и влаги, поэтому если датчик устанавливается в ванной комнате, туалете или кухне, то должен устанавливаться в месте недоступном попаданию брызг воды.
Монтируется терморегулятор в стандартный подрозетник с помощью монтажных винтов. Для монтажа необходимо при помощи перфоратора проделать в стене отверстие под подрозетник и вертикальную штробу под провода питания и датчик. После чего нужно подвести провода питания теплого пола и датчика до подрозетника.

Далее нужно выполнить соединения согласно данным паспорта и закрепить терморегулятор в монтажной коробке.
Установка датчика должна быть выполнена так, чтобы была возможность беспрепятственно заменить его в будущем. От монтажной коробки с терморегулятором монтажная трубка проводится в зону, обогреваемая примерно на 0,5 м. Изгибы и длина трубки должны обеспечивать беспрепятственное перемещение датчика.

Конец трубки, который вводится в зону обогрева, нужно тщательно загерметизировать, для избежания попадания раствора. Датчик вводится в трубку после затвердевания стяжки.
Терморегулятор монтируется и подключается после установки и проверки нагрузки теплого пола. На корпусе терморегулятора производитель обычно рисует схему подключения, что дает возможность выполнить подключение самостоятельно.
Подключение двухжильного нагревательного кабеля:
Экран нагревательного кабеля предполагается занулить. Если в квартире сеть TN-C-S, то экран необходимо не занулять, а заземлять. Иначе если в щитке установлено УЗО, то оно будет срабатывать ошибочно. В некоторых моделях терморегуляторов уже установлена клемма заземления PE, что значительно ускоряет процесс монтажа.
Подключение одножильного нагревательного кабеля:
Терморегулятор — это необходимый элемент системы «электрический тёплый пол» и если внимательно ознакомиться с инструкцией и схемой, то установку вы сможете произвести самостоятельно.

А что делать, когда терморегулятор установлен? Остается только правильно настроить его. Ознакомиться с подробной инструкцией вы сможете в нашей статье о правильной настройке терморегулятора !
Какие правила безопасности нужно соблюдать при монтаже электрического теплого пола
Процесс укладки теплого пола рознится в зависимости от выбранного способа монтажа. Если укладку планируется делать в стяжку, то подойдет либо нагревательный кабель, либо нагревательный мат. Если укладку планируется выполнить напод ковролин, плитку или ламинат, то можно использовать инфракрасную пленку или, опять же, нагревательный мат.
Принципиальное устройство системы электрический теплый пол при различных устройствах пола и напольного покрытия приведено в таблице ниже.
![]() | Электрический теплый пол под кафельную плитку на бетонном основании. 1 — Напольное покрытие, кафельная плитка; 2 — Плиточный клей или мастика для монтажа кафельной плитки; 3 — Самовыравнивающаяся смесь для пола; 4 — Нагревательный кабель или нагревательный мат; 5 — Грунтовочный слой или стяжка; 6 — Бетонное основание пола. |
![]() | Электрический теплый пол под деревянное напольное покрытие, ламинат, ковролин. 1 — Деревянный пол, ламинат или ковролин; 2 — Подложка под ламинат; 3 — Самовыравнивающаяся смесь для пола; 4 — Нагревательный кабель или нагревательный мат; 5 — Грунтовочный слой или стяжка; 6 — Бетонное основание пола. |
![]() | Электрический теплый пол в деревянных полах на лагах. 1 — Деревянное напольное покрытие; 2 — Лаги деревянного пола; 3 — Нагревательный кабель или нагревательный мат; 4 — Тонкая монтажная сетка; 5 — Изоляция; 6 — Пароизоляция; 7 — Бетонное или деревянное основание. |
![]() | Электрический теплый пол паркет или ламинат с использованием системы DEVIcell Dry. 1 — Деревянный пол, ламинат или паркет; 2 — Шумопоглащающая подложка; 3 — Нагревательный кабель; 4 — Панели системы DEVIcell Dry; 5 — Пароизоляция; 6 — Бетонное основание пола. |
![]() | Электрический теплый пол по существующим деревянным полам. 1 — Линолеум, виниловое или ковровое напольное покрытие; 2 — Щит, распределяющий нагрузку (минимальная толщина 5 мм); 3 — Шумопоглащающая подложка; 4 — Нагревательный кабель; 5 — Панели системы DEVIcell Dry; 6 — Пароизоляция; 7 — Существующая конструкция деревянного пола. |
![]() | Электрический теплый пол для организации подогрева бетонного пола толщиной более 3 см. 1 — Напольное покрытие; 2 — Шумопоглащающая подложка, плиточный клей, пароизоляция, в зависимости от типа напольного покрытия; 3 — Бетон или цементная стяжка; 4 — Нагревательный кабель; 5 — Бетонная плита или монтажная сетка. |
Как подключить электрический теплый пол к электрической сети
Существует множество факторов, которые могут приводить к тому, что электрический теплый пол не включается. Разберем наиболее распространенные причины.
- Неисправность терморегулятора: Одной из типичных причин является сбой в работе терморегулятора, который контролирует температуру. Если терморегулятор вышел из строя, система не будет включаться.
- Проблемы с подключением: Неправильное подключение электрического теплого пола к сети или же повреждение проводов может стать причиной, по которой не срабатывает система.
- Выход из строя нагревательных секций: Иногда нагревательные элементы могут повредиться из-за перепадов напряжения или механических повреждений.
- Дефекты в электросети: Нестабильное напряжение или перебои в подаче электричества также могут стать причиной, по которой теплый пол не включается.
- Защитные устройства: Некоторые системы могут быть оборудованы защитными устройствами, которые отключают пол в случае перегрева или короткого замыкания.
Неисправность терморегулятора и его диагностика
Если вы подозреваете, что проблема кроется в терморегуляторе, то первым делом стоит проверить его работоспособность. Для этого нужно:
1. Включить электрический теплый пол и установить желаемую температуру.
2. Проверить, реагирует ли терморегулятор: изменяет ли он показания температуры.
3. Если он не реагирует, попробуйте перезапустить его, отключив питание на короткий срок.
Шаги для проверки и замены терморегулятора
- Отключите питание на цепи теплого пола.
- Снимите терморегулятор с креплений.
- Проверьте провода на наличие обгона или перетирания.
- Подключите новый терморегулятор, если предыдущий не работает.
Как установить терморегулятор для электрического теплого пола
Как нет в мире ничего идеального, так нет и идеального теплого пола. Если сравнивать Водяной и электрический теплый пол, то в каждом случае есть особенности, которые можно трактовать как достоинства, а есть особенности, которые относят к недостаткам.
Водяной пол, нагревающийся от труб, по которым циркулирует нагретая жидкость, не требует больших затрат при эксплуатации.

Фото: freepik.com
С этой точки зрения данная разновидность теплого пола считается самой экономичной.
Однако стоимость оборудования и монтажа, который непременно должны производить специалисты, весьма высоки. Можно несколько уменьшить расходы, выбрав не металлические или медные, а полипропиленовые трубы. Но это несколько снизит надежность.
Кроме того, установка водяных теплых полов в многоквартирном доме запрещена, такой вариант подойдет только для загородного дома.
Электрический теплый пол в виде нагревательных кабелей или нагревательных матов значительно дешевле в плане стоимости оборудования и монтажа. Что касается последнего, то монтаж некоторых систем владелец жилья может даже выполнить самостоятельно, так как процедура довольно проста, и достаточно определенного набора базовых строительных навыков и навыков работы с электрооборудованием. Так не нужны сложные дополнительные работы и получение специальных разрешений.
На Homy.by предлагается обширный ассортимент электрических систем для обустройства теплого пола. Желающие могут купить нагревательный кабель различных модификаций и от различных производителей. Также предлагается инфракрасная пленка, и ее ассортимент также рассчитан на людей с разными возможностями и запросами.
Но по эксплуатационным затратам электрические теплые полы проигрывают водяным. Электрические системы потребляют в среднем 100 Вт в час, и при необходимости постоянно поддерживать в помещении комфортную температуру придется пойти на ощутимые расходы.





