Как смонтировать электрический теплый пол: пошаговая инструкция
- Как смонтировать электрический теплый пол: пошаговая инструкция
- Связанные вопросы и ответы
- Какие материалы и инструменты необходимы для монтажа электрического теплого пола
- Как подготовить поверхность пола перед установкой теплого пола
- Как правильно разложить кабель или инфракрасные маты на полу
- Как подключить электрический теплый пол к электрической сети
- Как проверить исправность теплого пола после монтажа
- Как выбрать терморегулятор для электрического теплого пола
- Какие существуют правила безопасности при установке электрического теплого пола
- Как правильно завести кабель в стену и подключить его к терморегулятору
Как смонтировать электрический теплый пол: пошаговая инструкция
Введение
Электрический теплый пол — это современное и удобное решение для обогрева помещений. Он не только создает комфортную температуру, но и экономит пространство, так как не требует установки радиаторов или других отопительных приборов. В этой статье мы рассмотрим пошаговую инструкцию по монтажу электрического теплого пола.
Подготовка материалов и инструментов
Перед началом работ необходимо подготовить все необходимые материалы и инструменты. Вот основной список:
- Нагревательный элемент (мат, кабель или инфракрасные панели)
- Терморегулятор
- Датчик температуры
- Проводка и соединители
- Грунт и штукатурка для подготовки основания
- Клей для плитки
- Плитка или otro покрытие
- Инструменты: дрель, отвертка, ножницы для проводки, уровень и т.д.
Пошаговая инструкция
Этап 1: Подготовка основания
Основание должно быть ровным, сухим и чистым. Если на полу есть трещины или неровности, их необходимо заделать штукатуркой. После этого нанесите слой грунта, чтобы улучшить сцепление между основанием и клеем.
Этап 2: Разметка помещения
Определите, как будет проходить нагревательный элемент. Обычно его монтируют змеевидным или спиральным способом. Сделайте разметку на полу, используя уровень и рулетку.
Этап 3: Монтаж нагревательного элемента
Уложите нагревательный элемент по разметке, закрепляя его к основанию с помощью специальных клипс или скоб. Убедитесь, что элемент равномерно распределен и не пересекается.
Этап 4: Установка терморегулятора
Терморегулятор необходимо установить в удобном месте, обычно возле входной двери. Подключите к нему датчик температуры и нагревательный элемент. Следуйте инструкции производителя для правильного подключения.
Этап 5: Тестирование системы
Перед финишной отделкой проверьте работу теплого пола. Включите его на небольшой срок, чтобы убедиться, что все работает корректно.
Основные этапы монтажа в таблице
| Этап | Описание |
|---|---|
| Подготовка основания | Ровнение, грунтовка и штукатурка пола |
| Разметка | Определение пути нагревательного элемента |
| Монтаж нагревательного элемента | Укладка и закрепление нагревательного элемента |
| Установка терморегулятора | Подключение терморегулятора и датчика |
| Тестирование | Проверка работы системы |
Рекомендации и советы
Чтобы избежать ошибок при монтаже электрического теплого пола, обратите внимание на следующие моменты:
- Используйте только качественные материалы и инструменты
- Соблюдайте правила безопасности при работе с электричеством
- Тщательно проверяйте все соединения перед включением
- Следуйте инструкциям производителя
Меры предосторожности
Работы с электричеством требуют особой осторожности:
- Отключите электропитание перед началом работ
- Используйте диэлектрические перчатки и инструменты
- Не допускайте коротких замыканий
- Проверяйте изоляцию проводов
Заключительные замечания
После завершения монтажа и тестирования можно приступать к финишной отделке — укладке плитки или другого напольного покрытия. Теплый пол готов к эксплуатации!
Связанные вопросы и ответы:
Вопрос 1: Как подготовить поверхность перед монтажом электрического теплого пола
Перед началом монтажа электрического теплого пола необходимо тщательно подготовить поверхность. Сначала убедитесь, что пол ровный и сухой. Если на поверхности есть трещины или неровности, их нужно заделать шпаклёвкой и дать высохнуть. Затем положите слой гидроизоляции, чтобы защитить конструкцию от влаги. После этого настелите утеплитель, например, пеноплекс, чтобы минимизировать тепловые потери. Утеплитель должен быть ровным и плотно прилегать к поверхности. Теперь поверхность готова для установки нагревательных элементов.
Вопрос 2: Какие материалы необходимы для монтажа электрического теплого пола
Для монтажа электрического теплого пола потребуются следующие материалы: нагревательный элемент (инфракрасная пленка или кабель), термостат для регулирования температуры, утеплитель (например, пеноплекс), гидроизоляционная плёнка, шпаклёвка для выравнивания поверхности, клей или крепления для фиксации нагревательного элемента, а также материалы для финишного напольного покрытия (паркет, ламинат, плитка и т.д.). Также не забудьте про инструменты, такие как рулетка, ножницы, дрель и мультиметр для проверки электрических соединений.
Вопрос 3: Как правильно подключить электрический теплый пол к сети
Подключение электрического теплого пола к сети требует осторожности и соблюдения правил электробезопасности. Сначала убедитесь, что сеть рассчитана на такую нагрузку. Нагревательный элемент необходимо подключить через термостат, который будет регулировать температуру и автоматически отключать питание при перегреве. Все соединения должны быть качественно изолированы и защищены от влаги. Перед включением проверьте все провода с помощью мультиметра, чтобы убедиться, что нет коротких замыканий. Также рекомендуется установить защитное устройство (УЗО) для дополнительной безопасности.
Вопрос 4: Как смонтировать нагревательный элемент электрического теплого пола
Монтаж нагревательного элемента электрического теплого пола начинается с разметки поверхности. Разложите нагревательный элемент в соответствии с инструкцией, обычно он имеет форму матов или кабеля, который нужно равномерно распределить по поверхности. Убедитесь, что элемент не пересекается и не соприкасается с самим собой. Закрепите его с помощью специальных клипс или клея, следуя рекомендациям производителя. После этого подключите термостат и проверьте работу нагревательного элемента на небольшом участке перед полным включением.
Вопрос 5: Как герметизировать стыки и швы при монтаже электрического теплого пола
Герметизация стыков и швов важна для предотвращения проникновения влаги и повреждения нагревательного элемента. После установки нагревательного элемента нанесите слой герметика на все стыки и швы. Используйте специальный герметик, устойчивый к высоким температурам. Наносите его равномерно, следуя инструкции на упаковке. После этого дайте герметику полностью высохнуть, прежде чем приступать к дальнейшим работам. Это обеспечит надежную защиту вашего теплого пола от влаги и продлит его срок службы.
Вопрос 6: Как протестировать электрический теплый пол перед финишным покрытием
Перед финишным покрытием важно протестировать электрический теплый пол. Включите питание и проверьте, чтобы все участки нагревательного элемента работали корректно. Используйте термометр, чтобы убедиться, что температура не превышает допустимых значений. Проверьте absence of short circuits and proper operation of the thermostat. Также убедитесь, что нет перегревов или холодных участков. Если всё работает правильно, можно приступать к установке финишного напольного покрытия.
Вопрос 7: Как выбрать финишное напольное покрытие для электрического теплого пола
Выбор финишного напольного покрытия для электрического теплого пола зависит от нескольких факторов. Во-первых, материал должен быть совместим с нагревательным элементом и выдерживать повышенные температуры. Хорошим выбором являются керамическая плитка, натуральный камень или инженерная доска. Избегайте материалов, которые плохо проводят тепло, такие как ковролин или толстый ламинат. Также важно учитывать эстетические предпочтения и эксплуатационные характеристики. Перед покупкой ознакомьтесь с рекомендациями производителя теплого пола относительно совместимости с различными напольными покрытиями.
Вопрос 8: Как включить и проверить работу электрического теплого пола после монтажа
После завершения монтажа электрического теплого пола включите питание и проверьте его работу. Начните с минимальной мощности и постепенно увеличивайте температуру, контролируя нагрев поверхности. Используйте термостат для регулировки температуры и убедитесь, что он работает корректно. Проверьте все участки пола на равномерность нагрева и отсутствие перегревов. Если всё работает правильно, ваш теплый пол готов к эксплуатации. Регулярно проверяйте работу термостата и состояние нагревательного элемента, чтобы обеспечить долгую и безопасную работу системы.
Какие материалы и инструменты необходимы для монтажа электрического теплого пола
Инфракрасный (пленочный) теплый пол монтируется с некоторыми отличиями от своего кабельного «собрата». Следуйте инструкции.

Монтаж инфракрасного электрического теплого пола

Электрический инфракрасный теплый пол

Принципиальная схема подключения ИПО
Составляем схему укладки
Первый шаг. Выбираем место установки терморегулятора. Его монтаж рекомендуется выполнять с 15-сантиметровым отступом от поверхности пола.

Монтаж скрытого терморегулятора теплого пола

Монтаж скрытого терморегулятора теплого пола
Второй шаг. Составляем схему укладки системы обогрева.
Важно: пленку нельзя размещать под крупными бытовыми приборами, мебелью и прочими тяжелыми вещами.
При составлении схемы учитывайте следующие важные нюансы:
- первый ряд пленки должен быть уложен с отступом не менее 100 мм и не более 400 мм от стен;
- если теплый пол будет применяться в качестве основной системы обогрева, он должен занимать как минимум 70-75% суммарной площади поверхности;
- если инфракрасная пленка укладывается в качестве дополнения к имеющемуся обогреву, достаточно, чтобы она занимала порядка 40-50% площади основания.
Укладываем и подключаем систему
Первый шаг. Раскладываем инфракрасную пленку поверх теплоизоляции. Придерживайтесь составленной схемы. При необходимости пленку можно резать по заводским линиям.

Раскладываем инфракрасную пленку поверх теплоизоляции

Резка матов
Укладку элементов выполняйте медными частями контактов вниз по направлению к стене с терморегулятором
Второй шаг. Подключаем контактные зажимы к краю медной полоски и подсоединяем провода.
Конструкция инфракрасного теплого пола

Подключение инфракрасного теплого пола
Третий шаг. Изолируем места разрезов инфракрасной пленки и соединений зажимов и кабелей. Для изоляции хорошо подходит специальная битумная мастика.

Подключение инфракрасного теплого пола
Важно: чем длиннее нагревательные полотнища, тем меньше должно быть контактов. Помните: полоса не может быть длиннее 8 м.
Часть зажимов устанавливайте на токонесущую поверхность. Оставшиеся располагайте внутри нагревательной пленки.
Как подготовить поверхность пола перед установкой теплого пола
Монтаж всех моделей теплых полов имеет в основном схожий алгоритм. Поэтому целесообразно рассмотреть общую последовательность выполнения действий по установке данных систем отопления. А специфика различий будет указана чуть ниже.
Выбор схемы укладки
Наиболее распространенная схема укладки: «змейкой». Кабель укладывается последовательно через чередующиеся колена изгиба с прямым выходным отрезком вдоль стены. Нужно помнить, что минимальное расстояние от нее должно составлять 10 см.
Есть вариант двойного размещения провода: он сгибается пополам и укладывается параллельными линиями с соответствующим шагом.
Желательно сначала все начертить на бумаге с учетом расположения стационарной мебели и особенностей конфигурации помещения. В случае нагревательных матов процедура упрощается, так как там кабель уже зафиксирован в определенном положении на сетке.
Расчет материалов
Проще всего воспользоваться специальными программами, в массовом количестве представленными в интернете или таблицами, размещенными в строительных справочниках (некоторые из них дают производители в инструкциях, прилагаемых к изделию).
Главная цель расчета – получить значение потерь тепла через конкретное помещение. Далее определяется шаг укладки и общая длина кабеля. К ней прибавляется отрезок на выходе, проходящий вдоль стены. В самом конце уже можно высчитать количество единиц крепления и величину холодного провода.
Расчет мощности
При расчете этого показателя следует учитывать климатические условия, материал стен дома, особенности структуры здания. От этих характеристик зависит удельная мощность (р). Для нее установлены следующие усредненные значения:
- Кухня, жилые помещения 150 Вт/м2;
- Ванная комната 140-150 Вт/м2;
- Застекленная лоджия (или окна в пол) до 180 Вт/м2.
Величины для других помещений можно найти в строительных справочниках. Важно учитывать, что значения несколько завышены, чтобы создать запас тепловой энергии (около 30%). Таким образом, зная общую площадь (S) обогреваемого помещения, мощность можно вычислить по формуле: Р = р х S х 1,3 .
Подготовительные работы
Основание, на которое будет монтироваться теплый электрический пол, нужно очистить от грязи и пыли, использовав сметочные приспособления или пылесос. При необходимости нужно удалить все старое покрытие, заделать трещины. Неровности малой величины затираются. Если их размер существенен, то делается выравнивающая стяжка толщиной 3-7 см. Перед ее нанесением пол грунтуется специальным составом.
Выравнивание основания. Фото: shutterstock.com
Укладка теплоизоляции
Сначала на пол укладывается полиэтиленовая пленка. На нее стелется теплоизоляционный материал. В качестве такового можно использовать фольгированный пенофол, пенопропилен или пенополистирол. Стыки проклеиваются скотчем. Демпферная лента, которая монтируется по периметру помещения, будет компенсировать расширение стяжки при увеличении температуры. В конце раскатывают арматурную сетку, к которой будет крепиться нагревательный элемент.
Как правильно разложить кабель или инфракрасные маты на полу
Инфракрасный тёплый пол - это тонкая плёнка, состоящая из нагревательных инфракрасных элементов. В отличии от нагревательных кабелей, инфракрасный пол нагревает не воздух, а предметы, размещенные на поверхности пола (включая само напольное покрытие).
Нагрев происходит за счёт коротких инфракрасных волн, которые абсолютно безопасны для здоровья человека и животных. Нагретые предметы в свою очередь отдают тепло окружающему пространству.
Инфракрасный тёплый пол подходит для покрытий из:
- Ламината;
- Линолеума;
- Ковролина;
- Паркета.
Важно! Не все виды перечисленных напольных покрытий совместимы с тёплым полом. Уточняйте эту характеристику в описании товара или на упаковке.
Особенностью электрического тёплого пола является то, что его укладывают не по всей площади помещения, а только в местах, на которые не будет воздействовать нагрузка от тяжелой мебели и сантехники.
Длину инфракрасного мата можно изменить. Его можно укоротить, либо соединить с другими инфракрасными матами. Для соединения применяются специальные комплекты, с клеммами особой конструкции и силовые кабели (могут идти в комплекте с матом, либо приобретаться отдельно).
Важно! При точечном воздействии мебели и других массивных предметов на пол, электрический тёплый пол будет локально перегреваться в точках давления. Это приведёт к изменению свойств греющей жилы и выходу из строя.
Расчёт мощности
Чтобы рассчитать подходящую мощность кабеля для того или иного помещения нужно сделать несложный расчёт. Давайте разберём на примере:
Посчитаем площадь комнаты, в которой будет укладываться тёплый пол
В нашем примере площадь комнаты – 18 м2Общая площадь мебели в комнате – 7 м2(3 м2– кровать, 4 м2– шкафы)Тёплый пол будет использоваться как дополнительное отопление
- Вычисляем отапливаемую площадь помещения:
18 - 7 = 11 м211 м2– отапливаемая площадь
- Вычисляем мощность тёплого пола:
х 2> =
Мощность для 1 м2берём исходя из указанных значений:
- 120 Вт / м2– подходит для дополнительного отопления в тёплых, сухих помещениях (помещения, расположенные над другими отапливаемыми помещениями).
- 140-150 Вт / м2– для холодных помещений и помещений, расположенных на первых этажах
- Не менее 150 Вт / м2– для основного источника отопления.
11 м2х 120 Вт = 1320 Вт – минимальная мощность для дополнительного отопления
Итого: Для нашего помещения с площадью 18 м2, в качестве дополнительного источника отопления подойдёт тёплый пол с минимальной мощностью 1320 Вт.
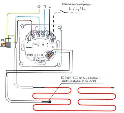
Как подключить электрический теплый пол к электрической сети
Проверка теплого пола мультиметром — это важный шаг для диагностики и контроля его работоспособности. Основные параметры, которые можно измерить мультиметром, — это сопротивление нагревательного кабеля и целостность цепи. Вот как это сделать.
Что вам понадобится
- Мультиметр (цифровой или аналоговый).
- Пара значений для сопротивления нагревательного кабеля (обычно указаны в паспорте или инструкции к теплому полу).
Порядок проверки
Отключите питание . Перед началом любых измерений обязательно отключите теплый пол от сети, чтобы избежать удара током.
Подготовка к измерению .
- Установите мультиметр в режим измерения сопротивления (Ом).
- Найдите провода, идущие от нагревательного кабеля к терморегулятору или распределительной коробке.
Измерение сопротивления .
- Подключите щупы мультиметра к двум проводам нагревательного кабеля (фазе и нулю).
- Запишите показания мультиметра.
Сравнение с нормативным значением .
- Найдите паспортное значение сопротивления для вашего теплого пола (обычно оно указано в инструкции или на упаковке).
- Сравните измеренное значение с нормативным. Допустимое отклонение может составлять примерно 5-10% от указанного значения.
Примеры .
- Если паспортное значение 100 Ом, то показание мультиметра в пределах 90-110 Ом будет нормальным.
Проверка целостности экрана (экранирующей оплетки) .
- Переключите мультиметр в режим прозвонки (обычно обозначен значком диода или звуковой волны).
- Подключите один щуп мультиметра к экрану (оплетке), а другой — к проводнику нагревательного кабеля (фаза или ноль).
- Мультиметр не должен издавать звук. Если звуковой сигнал есть, это означает, что экран поврежден и происходит короткое замыкание на землю.
Проверка целостности термодатчика (если установлен) .
- Подключите щупы мультиметра к выводам термодатчика.
- Сравните полученное значение сопротивления с паспортным. Отклонение должно быть минимальным.
Интерпретация результатов
- Если сопротивление в норме . Нагревательный кабель работает исправно.
- Если сопротивление сильно отличается . Возможны повреждения или износ кабеля. Необходимо провести более детальную диагностику или обратиться к специалисту.
- Если мультиметр показывает "обрыв" или очень низкое сопротивление . Это может свидетельствовать о разрыве цепи или коротком замыкании.

Проверка теплого пола мультиметром позволяет оценить его текущее состояние и выявить возможные неисправности. Если вы не уверены в правильности измерений или есть подозрения на неисправность, лучше обратиться к профессиональному электрику.
ООО "Теплолюкс-Блр"Акции, новости, полезная информация
Будет ли теплый пол обогревать комнату?
Эффективность как единственного источника тепла зависит от грамотного расчёта мощности, качества утепления помещения и корректного выбора оборудования. Разберёмся, как достичь желаемого результата в условиях белорусского климата.
Чем лучше обогревать дачу? Какое отопление для дачи самое экономичное?При выборе системы отопления для дачи важно учитывать не только начальную стоимость оборудования, но и эксплуатационные затраты, доступность топлива и удобство использования.
Какая мощность греющего кабеля нужна для обогрева труб?Недостаточная мощность не справится с нагревом, избыточная — приведет к перерасходу энергии и риску перегрева. Разберемся, как рассчитать оптимальные параметры для ваших условий.
Можно ли держать постоянно включенным греющий кабель?Однако многих пользователей волнует вопрос: безопасно ли оставлять его включенным круглосуточно? Не приведет ли это к перегреву, высоким счетам за электричество или преждевременному износу системы? Разберемся в технических нюансах, чтобы дать однозначный ответ.
Как сделать, чтобы не запотевало зеркало?Решение проблемы требует комплексного подхода, основанного на управлении температурой, влажностью и свойствами поверхности. Рассмотрим технически грамотные методы, подходящие для бытового применения.
Как проверить исправность теплого пола после монтажа
Процесс укладки теплого пола рознится в зависимости от выбранного способа монтажа. Если укладку планируется делать в стяжку, то подойдет либо нагревательный кабель, либо нагревательный мат. Если укладку планируется выполнить напод ковролин, плитку или ламинат, то можно использовать инфракрасную пленку или, опять же, нагревательный мат.
Принципиальное устройство системы электрический теплый пол при различных устройствах пола и напольного покрытия приведено в таблице ниже.
![]() | Электрический теплый пол под кафельную плитку на бетонном основании. 1 — Напольное покрытие, кафельная плитка; 2 — Плиточный клей или мастика для монтажа кафельной плитки; 3 — Самовыравнивающаяся смесь для пола; 4 — Нагревательный кабель или нагревательный мат; 5 — Грунтовочный слой или стяжка; 6 — Бетонное основание пола. |
![]() | Электрический теплый пол под деревянное напольное покрытие, ламинат, ковролин. 1 — Деревянный пол, ламинат или ковролин; 2 — Подложка под ламинат; 3 — Самовыравнивающаяся смесь для пола; 4 — Нагревательный кабель или нагревательный мат; 5 — Грунтовочный слой или стяжка; 6 — Бетонное основание пола. |
![]() | Электрический теплый пол в деревянных полах на лагах. 1 — Деревянное напольное покрытие; 2 — Лаги деревянного пола; 3 — Нагревательный кабель или нагревательный мат; 4 — Тонкая монтажная сетка; 5 — Изоляция; 6 — Пароизоляция; 7 — Бетонное или деревянное основание. |
![]() | Электрический теплый пол паркет или ламинат с использованием системы DEVIcell Dry. 1 — Деревянный пол, ламинат или паркет; 2 — Шумопоглащающая подложка; 3 — Нагревательный кабель; 4 — Панели системы DEVIcell Dry; 5 — Пароизоляция; 6 — Бетонное основание пола. |
![]() | Электрический теплый пол по существующим деревянным полам. 1 — Линолеум, виниловое или ковровое напольное покрытие; 2 — Щит, распределяющий нагрузку (минимальная толщина 5 мм); 3 — Шумопоглащающая подложка; 4 — Нагревательный кабель; 5 — Панели системы DEVIcell Dry; 6 — Пароизоляция; 7 — Существующая конструкция деревянного пола. |
![]() | Электрический теплый пол для организации подогрева бетонного пола толщиной более 3 см. 1 — Напольное покрытие; 2 — Шумопоглащающая подложка, плиточный клей, пароизоляция, в зависимости от типа напольного покрытия; 3 — Бетон или цементная стяжка; 4 — Нагревательный кабель; 5 — Бетонная плита или монтажная сетка. |
Как выбрать терморегулятор для электрического теплого пола
Пошагово рассказываем, как подключить терморегулятора к обогревателю, какие инструменты для этого понадобятся и какую схему подключения использоватьИсточник изображения: Личный архив компании
Как подключить терморегулятор к обогревателю правильно: пошаговая инструкция
Терморегулятор — это устройство, которое помогает поддерживать комфортную температуру в помещении, автоматически управляя работой обогревателя. Подключение терморегулятора позволяет снизить энергопотребление и продлить срок службы оборудования. В этой статье разберем, как правильно подключить терморегулятор к обогревателю, чтобы все работало безопасно и эффективно.
Техника безопасности при подключении
Перед началом работы важно соблюдать основные правила безопасности:
1. Отключите питание. Убедитесь, что обогреватель не подключен к сети.
2. Используйте подходящий инструмент. Применяйте изолированные отвертки и качественные соединительные элементы.
3. Следуйте инструкции. Используйте только оригинальные схемы и рекомендации производителя терморегулятора и обогревателя.
4. Проверяйте состояние проводов. Поврежденные провода могут стать причиной короткого замыкания.
Помните: правильное подключение гарантирует безопасность вашего дома и эффективность работы обогревателя.
Что такое терморегулятор и для чего он нужен

Терморегулятор — это устройство, которое контролирует работу обогревателя, включая его при понижении температуры в помещении и отключая при достижении заданного уровня.
Преимущества использования терморегулятора:
- Экономия электроэнергии. Регулятор отключает прибор, когда тепло в комнате достигает заданной отметки.
- Комфорт. Температура поддерживается на постоянном уровне без скачков.
- Продление срока службы. Обогреватель работает меньше времени, снижая износ компонентов.
Современные модели, например, кварцевые обогреватели, можно приобрести в комплекте или поддерживают их подключение.
Виды терморегуляторов
Перед подключением нужно выбрать подходящий тип терморегулятора.
1. Механические терморегуляторы
Просты в использовании и надежны. Регулировка температуры осуществляется вручную.
2. Электронные терморегуляторы
Позволяют задавать точные параметры и управлять устройством дистанционно.
3. Программируемые терморегуляторы
Подходят для тех, кто хочет настроить расписание работы обогревателя.
4. Интегрированные терморегуляторы
Такие устройства встроены в обогреватель, например, в моделях ТеплЭко. Они не требуют дополнительного подключения.
Материалы и оборудование для подключения
Для подключения терморегулятора вам понадобятся:
- терморегулятор;
- кабель подходящей мощности;
- клеммники для соединения проводов;
- изоляционная лента или термоусадочная трубка;
- отвертки;
- тестер напряжения.
Схемы подключения инфракрасного обогревателя
Схема подключения терморегулятора зависит от типа устройства:
1. Прямое подключение к обогревателю.
Подходит для большинства бытовых моделей. Провод от терморегулятора соединяется с входом обогревателя.
2. Подключение через розетку.
Удобный вариант, не требующий серьезных изменений в электропроводке.
3. Подключение через распределительную коробку.
Используется для систем с несколькими обогревателями, например, в частных домах.
Какие существуют правила безопасности при установке электрического теплого пола
Согласно современным требованиям, приводимым в ПУЭ и ПТЭЭП документации, испытания изоляции на сопротивление контрольного кабеля должны производиться не реже, чем 1 раз в 3 года (1 раз в год в случае с кабелями, эксплуатируемыми в особо опасных помещениях либо задействованными в работе подвижных установок — лифты, краны и т. д.). Частота проверок также зависит от условий эксплуатации кабельной продукции — в этом случае испытания должны проводиться согласно правилам эксплуатации, устанавливаемым еще на стадии проектирования цепей управления.
Сопротивление изоляции контрольных кабелей производятся при соблюдении следующих условий:
• Температура окружающей среды — от –30 до +50°С. Влажность воздуха до 90 %. Допустимая температура и влажность зависят от возможности конкретной модели мегаомметра работать при тех или иных условиях.
• Участки кабеля, условия измерения и величина напряжения, прикладываемая к токопроводящим жилам, зависят от конкретной марки изделия.
• При отсутствии документации к конкретной марке контрольного кабеля, согласно ПУЭ (таблица 1.8.39), к жилам прикладывается напряжение величиной от 500 до 1000 В.
• Контрольный кабель может испытываться со всеми подключенными к нему аппаратами (пускатели, реле, приборы и т. д.).
Меры безопасности:
• Замеры сопротивления изоляции контрольных кабелей напряжением до 1 кВ допустимо производить специалистами с 3-й или выше группой по электробезопасности.
• Кабель отключается от питающей сети, после чего с него снимается остаточное напряжение путем заземления токопроводящих частей.
• Перед началом процедур необходимо убедиться в отсутствии людей у той части аппарата, к которой присоединен мегаомметр.
• Напряжение прикладывается к токоведущим частям кабеля при помощи измерительных щупов с изолированными держателями.
• Запрещается прикасаться к токопроводящим жилам, к которым подключен работающий мегаомметр.
• По завершению измерений с измеряемой части кабеля снимается остаточный заряд путем его кратковременного заземления или включения соответствующей функции мегаомметра (присутствует в некоторых моделях устройств).
Как правильно завести кабель в стену и подключить его к терморегулятору
Теплый электрический пол является отличным решением для квартиры или частного дома при создании комфортной обстановки. Но иногда возникают ситуации, когда и это высокотехнологичная современная система обогрева выходит из строя и отказывается работать в номинальном режиме.

Распространенная проблема при эксплуатации кабельных или пленочных полов – полное отсутствие нагрева. В случае возникновения подобной ситуации самым простым решением будет вызвать специалиста, но можно попробовать разобраться с проблемой самостоятельно. Для этого технологию ремонта необходимо разбить на два этапа:
- выявление неисправности,
- её устранение.
Поиск неисправности
Одна из популярных причин, почему теплые полы перестают греть – это отсутствие питания электрической сети. И первое, что необходимо сделать в такой ситуации – проверить подается ли электричество на нагревательные элементы. Если напряжение в сети присутствует, оно соответствует требуемым нормам, нет никаких нарушений целостности проводки, то следующим шагом будет проверка терморегулятора и датчика температуры.
Для этого с помощью тестера следует замерить напряжение на выводах греющего кабеля. Если терморегулятор исправен, то замеренное напряжение будет равняться рабочему напряжению в сети. Также с помощью тестера снимаем показатели сопротивления температурного датчика, они должны соответствовать паспортным данным.

Существует и более простой способ проверки рабочего состояния терморегулятора. Для этого необходимо отключить подачу электроэнергии на теплый пол в распределительном щитке. Соединить напрямую провода электросети с греющим кабелем, минуя терморегулятор. И снова включить электроэнергию. Если примерно через 30-60 минут пол начнет нагреваться, то можно утверждать наверняка, что терморегулятор вышел из строя. И в этом случае, для устранения поломки его необходимо заменить.
Если даже после подключения напрямую нагрев отсутствует, причину неисправности следует искать в перегоревшем проводе. Придется снова воспользоваться тестером.
Особенности инфракрасного пленочного пола
Если греться перестал инфракрасный теплый пол, то для определения неисправности замеры сопротивления проводят по каждому нагревательному элементу. При этом показания сверяются с паспортными данными. Если тестер показывает на дисплее «0», то это свидетельствует о коротком замыкании, которое произошло, скорее всего, от перегрева. Показания на дисплее «1» или «∞» (символ бесконечности) говорят о наличие обрыва нагревательного кабеля. Чаще всего обрыв следует искать в соединительной муфте.
Контактные клеммы – еще одно слабое место инфракрасной пленки. По краям отдельной панели располагается медная шина, которая соединяется с проводом, отвечающим за нагрев рабочей поверхности пленки. Для соединения применяются специальные зажимы, которые могут окисляться в процессе эксплуатации. И как результат – обрыв электрической цепи. Устранение неисправности и ремонт сводится к замене контактов.





