Монтаж электрического теплого пола своими руками: пошаговая инструкция
- Монтаж электрического теплого пола своими руками: пошаговая инструкция
- Связанные вопросы и ответы
- Как подготовить поверхность пола перед монтажом электрического теплого пола
- Какие инструменты и материалы необходимы для монтажа электрического теплого пола
- Сколько времени занимает монтаж электрического теплого пола своими руками
- Какие меры безопасности нужно соблюдать при монтаже электрического теплого пола
Монтаж электрического теплого пола своими руками: пошаговая инструкция
Введение
Электрический теплый пол — это современное и удобное решение для обогрева помещений. Он не только обеспечивает комфортную температуру, но и экономит пространство, так как не требует установки радиаторов или других отопительных приборов. В этой статье мы рассмотрим, как самостоятельно установить электрический теплый пол, и дадим практические рекомендации, которые помогут вам справиться с задачей.
Необходимые материалы и инструменты
Перед началом работ необходимо подготовить все необходимые материалы и инструменты. Это поможет избежать перерывов в процессе монтажа и позволит выполнить работу качественно.
| Материалы | Инструменты |
|---|---|
| Нагревательные элементы (маты или кабель) | Дрель |
| Терморегулятор | Плоскогубцы |
| Провод | Отвертки |
| Клейкая лента | Измерительный прибор (мультиметр) |
| Герметик | Ножницы |
Подготовительные работы
Перед установкой электрического теплого пола необходимо выполнить ряд подготовительных работ. Это включает в себя проверку помещения, подготовку основания и установку необходимых элементов.
Проверка помещения
Первым делом необходимо проверить, подходит ли ваше помещение для установки электрического теплого пола. Убедитесь, что в помещении нет протечек, а также что пол имеет достаточную прочность для установки нагревательных элементов.
Подготовка основания
Основание должно быть ровным и сухим. Если на полу есть трещины или неровности, их необходимо устранить с помощью специальных смесей или герметиков. После этого можно приступать к установке нагревательных элементов.
Установка нагревательных элементов
Установка нагревательных элементов — это один из самых важных этапов монтажа электрического теплого пола. Существует два основных типа нагревательных элементов: маты и кабель. Выбор зависит от площади помещения и ваших личных предпочтений.
Схема подключения
Перед установкой нагревательных элементов необходимо разработать схему подключения. Она должна учитывать мощность нагревательных элементов, количество групп и способ их подключения. Если вы не уверены в своих силах, лучше обратиться за помощью к профессионалу.
Установка терморегулятора
Терморегулятор необходим для регулирования температуры нагревательных элементов. Его установка должна быть выполнена в соответствии с инструкцией производителя. Обычно терморегулятор устанавливается на стену в месте, доступном для управления.
Проверка системы
После установки всех элементов необходимо проверить систему на работоспособность. Для этого включите нагревательные элементы и убедитесь, что они работают корректно. Также проверьте терморегулятор на правильность работы.
Шаги проверки
- Включите электрический теплый пол и подождите некоторое время, чтобы он прогрелся.
- Проверьте температуру пола с помощью термодатчика или простого прикосновения.
- Убедитесь, что все элементы системы работают корректно и нет перегревов.
Ошибки, которых стоит избегать
При установке электрического теплого пола важно избегать распространенных ошибок, которые могут привести к неисправности системы или даже создать опасность.
- Неправильный выбор мощности нагревательных элементов.
- Неправильная схема подключения.
- Недостаточная изоляция проводов.
- Неправильная установка терморегулятора.
Избегая этих ошибок, вы сможете обеспечить надежную и безопасную работу вашего электрического теплого пола.
Связанные вопросы и ответы:
Вопрос 1: Какие материалы и инструменты необходимы для монтажа электрического теплого пола своими руками
Для монтажа электрического теплого пола вам понадобятся следующие материалы: термоэлектрический кабель или инфракрасные маты, терморегулятор, датчик температуры, гидроизоляционная пленка, клеящая смесь (для некоторых типов пола), армированная сетка, изоляционные материалы, а также материалы для финишного покрытия, такие как плитка или ламинат. Из инструментов потребуются рулетка, ножницы или ножовка для резки кабеля, дрель для создания отверстий, термопистолет для крепления кабеля, мультиметр для проверки напряжения, а также уровень и шпатели для равномерного распределения клеящей смеси.
Вопрос 2: Как подготовить поверхность перед укладкой электрического теплого пола
Подготовка поверхности начинается с очистки пола от пыли, грязи и старых покрытий. Если на поверхности есть трещины или неровности, их необходимо заделать шпаклевкой и выровнять. Далее, укладывается слой гидроизоляции, чтобы предотвратить попадание влаги на кабель. Если требуется, наносится слой теплоизоляции, чтобы повысить эффективность обогрева. После этого поверхность должна быть ровной и сухой, чтобы обеспечить правильную укладку кабеля или инфракрасных матов.
Вопрос 3: Как правильно уложить кабель для электрического теплого пола
Укладка кабеля начинается с определения оптимальной схемы, обычно это змеевидная или параллельная. Кабель раскладывается по поверхности, закрепляя его термопистолетом или клипсами через равные промежутки. Важно следить за тем, чтобы кабель не пересекался и не соприкасался с самим собой, чтобы избежать перегрева. После укладки кабель подключается к терморегулятору и проверяется на отсутствие короткого замыкания с помощью мультиметра.
Вопрос 4: Какие существуют способы подключения электрического теплого пола к электросети
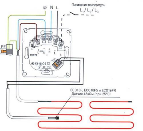
Подключение электрического теплого пола может осуществляться через терморегулятор, который устанавливается в помещении. Терморегулятор подключается к электрической сети через отдельный автоматический выключатель. Также можно использовать систему с датчиком температуры, который устанавливается в полу и подключается к терморегулятору. В некоторых случаях, особенно если мощность пола велика, может потребоваться установка отдельного электрического щита или подключение через трансформатор.
Вопрос 5: Как проверить работу электрического теплого пола после монтажа
После завершения монтажа необходимо включить электрический теплый пол и проверить его работу. Сначала проверьте напряжение в сети с помощью мультиметра, чтобы убедиться, что оно соответствует номинальным значениям. Затем включите терморегулятор и убедитесь, что пол начинает нагреваться. Проверьте температуру в разных точках пола, чтобы убедиться, что она равномерная. Также важно проверить отсутствие перегрева или холодных участков, которые могут указывать на неисправность кабеля или неправильную укладку.
Вопрос 6: Как устранять возможные неисправности электрического теплого пола
Если возникли неисправности, такие как отсутствие нагрева или перегрев, необходимо сначала выключить питание и проверить подключение. Проверьте целостность кабеля с помощью мультиметра, измерив сопротивление. Если обнаружено короткое замыкание, необходимо найти поврежденный участок и заменить его. Если пол не нагревается равномерно, возможно, кабель уложен с большими промежутками или есть обрыв. В сложных случаях может потребоваться консультация специалиста или замена всего кабеля.
Вопрос 7: Какие основные ошибки допускают начинающие при монтаже электрического теплого пола
Одной из самых распространенных ошибок является неправильная подготовка поверхности, что может привести к неравномерному нагреву или повреждению кабеля. Начинающие часто не учитывают необходимость гидроизоляции, что может вызвать короткое замыкание при попадании влаги. Также они могут укладывать кабель слишком близко к стенам или перегружать сеть, что может привести к перегреву и неисправностям. Еще одна ошибка – отсутствие тестирования после монтажа, что может привести к позднему обнаружению проблем.
Как подготовить поверхность пола перед монтажом электрического теплого пола
Инфракрасный (пленочный) теплый пол монтируется с некоторыми отличиями от своего кабельного «собрата». Следуйте инструкции.

Монтаж инфракрасного электрического теплого пола

Электрический инфракрасный теплый пол

Принципиальная схема подключения ИПО
Составляем схему укладки
Первый шаг. Выбираем место установки терморегулятора. Его монтаж рекомендуется выполнять с 15-сантиметровым отступом от поверхности пола.

Монтаж скрытого терморегулятора теплого пола

Монтаж скрытого терморегулятора теплого пола
Второй шаг. Составляем схему укладки системы обогрева.
Важно: пленку нельзя размещать под крупными бытовыми приборами, мебелью и прочими тяжелыми вещами.
При составлении схемы учитывайте следующие важные нюансы:
- первый ряд пленки должен быть уложен с отступом не менее 100 мм и не более 400 мм от стен;
- если теплый пол будет применяться в качестве основной системы обогрева, он должен занимать как минимум 70-75% суммарной площади поверхности;
- если инфракрасная пленка укладывается в качестве дополнения к имеющемуся обогреву, достаточно, чтобы она занимала порядка 40-50% площади основания.
Укладываем и подключаем систему
Первый шаг. Раскладываем инфракрасную пленку поверх теплоизоляции. Придерживайтесь составленной схемы. При необходимости пленку можно резать по заводским линиям.

Раскладываем инфракрасную пленку поверх теплоизоляции

Резка матов
Укладку элементов выполняйте медными частями контактов вниз по направлению к стене с терморегулятором
Второй шаг. Подключаем контактные зажимы к краю медной полоски и подсоединяем провода.
Конструкция инфракрасного теплого пола

Подключение инфракрасного теплого пола
Третий шаг. Изолируем места разрезов инфракрасной пленки и соединений зажимов и кабелей. Для изоляции хорошо подходит специальная битумная мастика.

Подключение инфракрасного теплого пола
Важно: чем длиннее нагревательные полотнища, тем меньше должно быть контактов. Помните: полоса не может быть длиннее 8 м.
Часть зажимов устанавливайте на токонесущую поверхность. Оставшиеся располагайте внутри нагревательной пленки.
Какие инструменты и материалы необходимы для монтажа электрического теплого пола
Теплый пол, использующий электроэнергию в качестве источника питания, применяется чаще водного аналога. Особенно этот вариант актуальнее в городских квартирах как дополнительный подогрев отдельных комнат.
Сравнительная оценка водяных и электрических теплых полов приведены в этой статье .
Для обустройства инфракрасного теплого пола не требуется получать специальное разрешение
Электрический напольный обогрев в зависимости от типа системы бывает:
- кабельный;
- экранированный;
- пленочный;
- стержневой.
Кабельные системы . Основная роль отводится нагревательному кабелю. Он бывает неэкранированный и экранированный. Первый используется в технических помещениях для утепления отдельных конструкций, например, чтобы избежать промерзания труб, и для других целей.
Экранированный кабель используется в жилых помещениях, в ванной, на кухне, в лоджии и т.д. Этот вариант обогрева выпускают различные производители. Причем, у изделий мощность, длина и рабочее напряжение может быть различным. Эти параметры производитель указывает непосредственно на кабеле.
Нагревательный кабель, продающийся в виде мата, гораздо удобнее в монтаже. Его чаще покупают, несмотря на более высокую цену, чем у кабеля
Пленочные системы работают благодаря нагревательному элементу, представленному карбоном или его смесью с другими составляющими. У разных производителей пленки отличаются типом нанесения, мощностью, предполагаемой нагрузкой и возможностью к саморегуляции. Все они относятся к инфракрасным системам .
Стержневые теплые полы отличаются высокой стоимостью и длительным сроком эксплуатации. Они могут быть использованы в любом помещении и за его пределами.
По принципу обогрева электрические системы подразделяются на:
- конвекционные;
- инфракрасные.
К первым относятся все кабельные модели, а ко вторым – пленки и карбоновые стержни . У инфракрасных систем наиболее высокая теплоотдача – около 97-98%. Тепло, излучаемое инфракрасными полами, обогревает все предметы, находящиеся в зоне их видимости. Причем это излучение совершенно не вредит человеческому организму.
Сколько времени занимает монтаж электрического теплого пола своими руками
Функционирование любого типа теплого пола связано с нагревом отделочного декоративного покрытия. Поэтому далеко не любые варианты облицовки в данном случае подойдут.
Все теплые полы делятся на основные разновидности:
Кабельные;
Стержневые;
Карбоновые;
Эластичные инфракрасные;
Водяные.
Для внешней отделки могут подойти: керамическая плитка, ламинат, ковролин, виниловые или полимерные отделочные материалы, фанера, линолеум, паркет.
Рекомендации выглядят следующим образом:
Если система расположена на кухне, в санузле или ванной комнате, лучше всего остановить выбор на классической плитке. Материал не боится перепадов влажности. Цена материала вполне доступна. Также она порадует вас широким спектром фактур, оттенков, типа поверхности и текстуры на любой вкус и бюджет;
Если предполагаются высокие нагрузки механического типа на поверхность, лучше приобрести керамогранитную разновидность такой облицовки. Плитка станет идеальным напольным покрытием для теплого водяного или кабельного пола. Облицовка прослужит долго. Она сохранит первоначальную яркость цвет и оттенок. Обладает высоким показателем теплопроводности. Такой системе можно смело поручить функции основного источника тепла в доме;
Если он выступает в роли дополнительного поставщика, то финишную отделку допустимо сделать из ковролина либо ламината. Они прекрасно накапливают и сберегают, даже если мощность системы всего 110 Вт/м2;
Если вы предпочитаете деревянные материалы, то смело выбирайте качественную натуральную пробку или паркетную доску. Не забывайте, что максимально допустимая граница нагрева составляет 27-300°С в зависимости от рекомендаций производителя. С ними вы сможете ознакомиться в инструкции. В качестве дополнительных источников можно применять радиаторы переносного типа. Избежать ошибок в данном случае поможет качественный анализ потерь тепла. Потом его следует аккуратно сопоставить со схемой действующего теплового потока и мощностью устанавливаемой аппаратуры. Этот показатель можно найти в техническом паспорте.
Какие меры безопасности нужно соблюдать при монтаже электрического теплого пола
Процесс укладки теплого пола рознится в зависимости от выбранного способа монтажа. Если укладку планируется делать в стяжку, то подойдет либо нагревательный кабель, либо нагревательный мат. Если укладку планируется выполнить напод ковролин, плитку или ламинат, то можно использовать инфракрасную пленку или, опять же, нагревательный мат.
Принципиальное устройство системы электрический теплый пол при различных устройствах пола и напольного покрытия приведено в таблице ниже.
![]() | Электрический теплый пол под кафельную плитку на бетонном основании. 1 — Напольное покрытие, кафельная плитка; 2 — Плиточный клей или мастика для монтажа кафельной плитки; 3 — Самовыравнивающаяся смесь для пола; 4 — Нагревательный кабель или нагревательный мат; 5 — Грунтовочный слой или стяжка; 6 — Бетонное основание пола. |
![]() | Электрический теплый пол под деревянное напольное покрытие, ламинат, ковролин. 1 — Деревянный пол, ламинат или ковролин; 2 — Подложка под ламинат; 3 — Самовыравнивающаяся смесь для пола; 4 — Нагревательный кабель или нагревательный мат; 5 — Грунтовочный слой или стяжка; 6 — Бетонное основание пола. |
![]() | Электрический теплый пол в деревянных полах на лагах. 1 — Деревянное напольное покрытие; 2 — Лаги деревянного пола; 3 — Нагревательный кабель или нагревательный мат; 4 — Тонкая монтажная сетка; 5 — Изоляция; 6 — Пароизоляция; 7 — Бетонное или деревянное основание. |
![]() | Электрический теплый пол паркет или ламинат с использованием системы DEVIcell Dry. 1 — Деревянный пол, ламинат или паркет; 2 — Шумопоглащающая подложка; 3 — Нагревательный кабель; 4 — Панели системы DEVIcell Dry; 5 — Пароизоляция; 6 — Бетонное основание пола. |
![]() | Электрический теплый пол по существующим деревянным полам. 1 — Линолеум, виниловое или ковровое напольное покрытие; 2 — Щит, распределяющий нагрузку (минимальная толщина 5 мм); 3 — Шумопоглащающая подложка; 4 — Нагревательный кабель; 5 — Панели системы DEVIcell Dry; 6 — Пароизоляция; 7 — Существующая конструкция деревянного пола. |
![]() | Электрический теплый пол для организации подогрева бетонного пола толщиной более 3 см. 1 — Напольное покрытие; 2 — Шумопоглащающая подложка, плиточный клей, пароизоляция, в зависимости от типа напольного покрытия; 3 — Бетон или цементная стяжка; 4 — Нагревательный кабель; 5 — Бетонная плита или монтажная сетка. |





